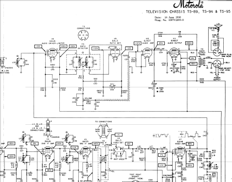
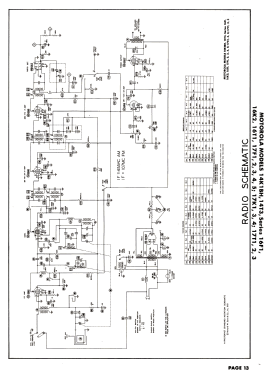
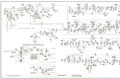
17F1A Ch= TS-89 HS-253
Motorola Inc. (ex Galvin Mfg.Co. Chicago); Schaumburg (IL)
- Produttore / Marca
- Motorola Inc. (ex Galvin Mfg.Co. Chicago); Schaumburg (IL)
- Anno
- 1951 ?
- Categoria
- Ricevitore TV e radio (ev. con magnetofono, giradischi, registratore a cassette ecc.)
- Radiomuseum.org ID
- 209838
Clicca sulla miniatura dello schema per richiederlo come documento gratuito.
- Numero di tubi
- 29
- Valvole
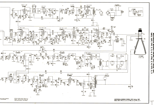
- 6CB6 12AT7 6AU6 6AU6 6AG5 6AL5 6AH6 6AU6 6AL5 6J5GT 6V6GT 6SN7GT 12AU7 6W6GT 6AL5 6SN7GT 6BQ6GT 6W4GT 1B3GT 5U4G 16TP4 6BA6 6BA7 6BA6 6BA6 6AL5 6AV6 6K6GT 5Y3GT
- Principio generale
- Supereterodina con stadio RF
- Gamme d'onda
- Gamme d'onda nelle note.
- Particolarità
- Cambiadischi
- Tensioni di funzionamento
- Alimentazione a corrente alternata (CA) / 60 Hz, 117V = 110 -120 Volt
- Altoparlante
- AP elettrodinamico (bobina mobile e bobina di eccitazione/di campo)
- Materiali
- Mobile in legno
- Radiomuseum.org
- Modello: 17F1A Ch= TS-89 HS-253 - Motorola Inc. ex Galvin Mfg.Co
- Forma
- Console di qualsiasi tipo
- Annotazioni
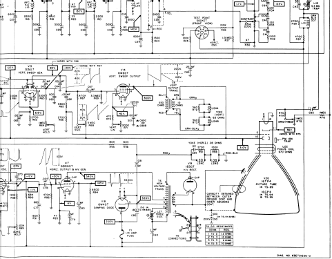
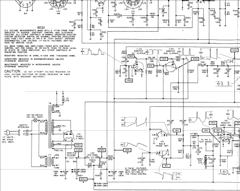
- Model 17F1A is a combination Radio/Phono/TV console and consists of an AM/FM Radio (using chassis HS-253), Record Changer RC-36A and a 16" b/w TV with US standard VHF Tuner channels 2 thru 13 (using Chassis TS-89). This wooden console is Red-Brown Mahogany and has a 6" x 9" speaker. Radio has built-in AM loop antenna and FM antenna built into the power cord. Radio chassis uses 8 tubes. The Radio is a Superhet with an RF stage with IF of 455/10700 kHz.
- Fonte dei dati
- - - Manufacturers Literature
- Letteratura / Schemi (1)
- Photofact Folder, Howard W. SAMS (Set 121 folder 10 dated 1-51)
- Autore
- Modello inviato da John Kusching. Utilizzare "Proponi modifica" per inviare ulteriori dati.
- Altri modelli
-
In questo link sono elencati 4653 modelli, di cui 2980 con immagini e 4153 con schemi.
Elenco delle radio e altri apparecchi della Motorola Inc. (ex Galvin Mfg.Co. Chicago); Schaumburg (IL)