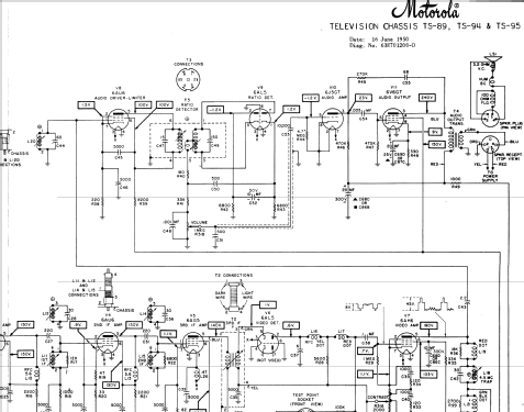
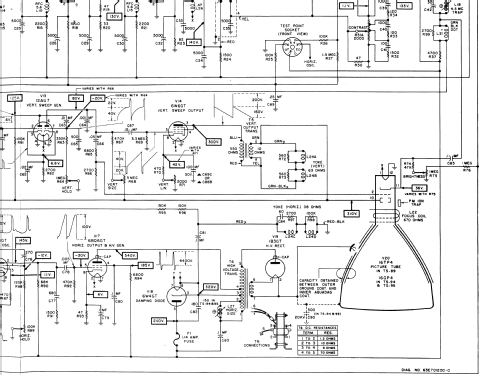
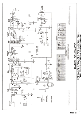
17F2WA Ch= TS-89 HS-253
Motorola Inc. (ex Galvin Mfg.Co. Chicago); Schaumburg (IL)
- Country
- United States of America (USA)
- Manufacturer / Brand
- Motorola Inc. (ex Galvin Mfg.Co. Chicago); Schaumburg (IL)
- Year
- 1951 ?
- Category
- Television- and Radio Receiver, perh. also + Rec. etc. (TV Radio)
- Radiomuseum.org ID
- 209834
Click on the schematic thumbnail to request the schematic as a free document.
- Number of Tubes
- 29
- Valves / Tubes
- 6CB6 12AT7 6AU6 6AU6 6AG5 6AL5 6AH6 6AU6 6AL5 6J5GT 6V6GT 6SN7GT 12AU7 6W6GT 6AL5 6SN7GT 6BQ6GT 6W4GT 1B3GT 5U4G 16TP4 6BA6 6BA7 6BA6 6BA6 6AL5 6AV6 6K6GT 5Y3GT
- Main principle
- Superhet with RF-stage
- Wave bands
- Wave Bands given in the notes.
- Details
- Changer (Record changer)
- Power type and voltage
- Alternating Current supply (AC) / 60 Hz, 117V = 110 -120 Volt
- Loudspeaker
- Electro Magnetic Dynamic LS (moving-coil with field excitation coil) / Ø 10 inch = 25.4 cm
- Material
- Wooden case
- from Radiomuseum.org
- Model: 17F2WA Ch= TS-89 HS-253 - Motorola Inc. ex Galvin Mfg.Co
- Shape
- Console with any shape - in general
- Notes
- Model 17F2WA is a combination Radio/Phono/TV console and consists of an AM/FM Radio (using chassis HS-253), Record Changer RC-36A and a 16" b/w TV with US standard VHF Tuner channels 2 thru 13 (using Chassis TS-89). This wooden console is Walnut and has a 10" speaker. Radio has built-in AM loop antenna and FM antenna built into the power cord. Radio chassis uses 8 tubes. The Radio is a Superhet with an RF stage with IF of 455/10700 kHz.
- Source of data
- - - Manufacturers Literature
- Literature/Schematics (1)
- Photofact Folder, Howard W. SAMS (Set 121 folder 10 dated 1-51)
- Author
- Model page created by John Kusching. See "Data change" for further contributors.
- Other Models
-
Here you find 4655 models, 2982 with images and 4154 with schematics for wireless sets etc. In French: TSF for Télégraphie sans fil.
All listed radios etc. from Motorola Inc. (ex Galvin Mfg.Co. Chicago); Schaumburg (IL)