17T1BA Ch= TS-89
Motorola Inc. (ex Galvin Mfg.Co. Chicago); Schaumburg (IL)
- Country
- United States of America (USA)
- Manufacturer / Brand
- Motorola Inc. (ex Galvin Mfg.Co. Chicago); Schaumburg (IL)
- Year
- 1951 ?
- Category
- Television Receiver (TV) or Monitor
- Radiomuseum.org ID
- 209699
Click on the schematic thumbnail to request the schematic as a free document.
- Number of Tubes
- 21
- Valves / Tubes
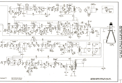
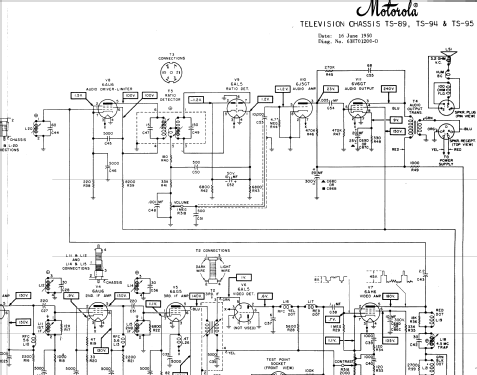
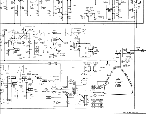
- 6CB6 12AT7 6AU6 6AU6 6AG5 6AL5 6AH6 6AU6 6AL5 6J5GT 6V6GT 6SN7GT 12AU7 6W6GT 6AL5 6SN7GT 6BQ6GT 6W4GT 1B3GT 5U4G 16TP4
- Main principle
- Superhet with RF-stage
- Wave bands
- VHF incl. FM and/or UHF (see notes for details)
- Power type and voltage
- Alternating Current supply (AC) / 60 Hz, 117V = 110 -120 Volt
- Loudspeaker
- Electro Magnetic Dynamic LS (moving-coil with field excitation coil) / Ø 6 inch = 15.2 cm
- Material
- Wooden case
- from Radiomuseum.org
- Model: 17T1BA Ch= TS-89 - Motorola Inc. ex Galvin Mfg.Co
- Shape
- Tablemodel, with any shape - general.
- Notes
- 16" b/w TV with US standard VHF Tuner channels 2 thru 13. Table model, Limed Oak.
- Source of data
- - - Manufacturers Literature
- Literature/Schematics (1)
- Photofact Folder, Howard W. SAMS (Set 121 folder 10 dated 1-51)
- Author
- Model page created by John Kusching. See "Data change" for further contributors.
- Other Models
-
Here you find 4655 models, 2982 with images and 4154 with schematics for wireless sets etc. In French: TSF for Télégraphie sans fil.
All listed radios etc. from Motorola Inc. (ex Galvin Mfg.Co. Chicago); Schaumburg (IL)