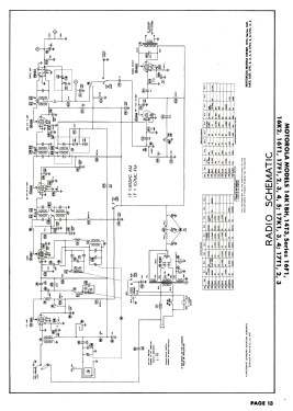
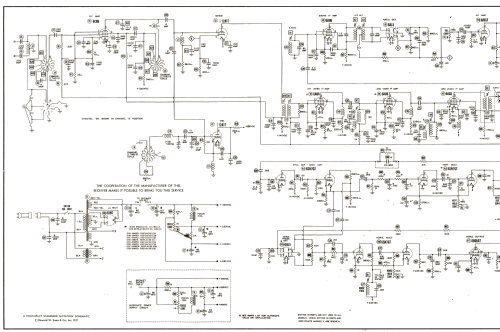
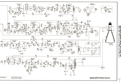
17T2 Ch=TS-118
Motorola Inc. (ex Galvin Mfg.Co. Chicago); Schaumburg (IL)
- País
- Estados Unidos
- Fabricante / Marca
- Motorola Inc. (ex Galvin Mfg.Co. Chicago); Schaumburg (IL)
- Año
- 1951 ?
- Categoría
- Televisión (TV) o monitor
- Radiomuseum.org ID
- 343030
Haga clic en la miniatura esquemática para solicitarlo como documento gratuito.
- Numero de valvulas
- 21
- Válvulas
- 6CB6 12AT7 6AU6 6AU6 6AG5 6AL5 6AH6 6AU6 6AL5 6J5GT 6V6GT 6SN7GT 12AU7 6W6GT 6AL5 6SN7GT 6BQ6GT 6W4GT 1B3GT 5U4G 16GP4
- Principio principal
- Superheterodino con paso previo de RF
- Gama de ondas
- Bandas de recepción puestas en notas.
- Tensión de funcionamiento
- Red: Corriente alterna (CA, Inglés = AC) / 60 Hz, 117V = 110 -120 Volt
- Altavoz
- Altavoz dinámico (de imán permanente)
- Material
- Madera
- de Radiomuseum.org
- Modelo: 17T2 Ch=TS-118 - Motorola Inc. ex Galvin Mfg.Co
- Forma
- Consola en general
- Anotaciones
-
16" b/w TV with US standard VHF Tuner channels 2 thru 13. Console model.
- Documentación / Esquemas (1)
- Photofact Folder, Howard W. SAMS (Set 121 folder 10 dated 1-51)
- Autor
- Modelo creado por Dirk Taekels. Ver en "Modificar Ficha" los participantes posteriores.
- Otros modelos
-
Donde encontrará 4653 modelos, 2980 con imágenes y 4153 con esquemas.
Ir al listado general de Motorola Inc. (ex Galvin Mfg.Co. Chicago); Schaumburg (IL)