19K12W Ch= TS-435
Motorola Inc. (ex Galvin Mfg.Co. Chicago); Schaumburg (IL)
- Produttore / Marca
- Motorola Inc. (ex Galvin Mfg.Co. Chicago); Schaumburg (IL)
- Anno
- 1960
- Categoria
- Televisore (TV) / Monitor
- Radiomuseum.org ID
- 234710
Clicca sulla miniatura dello schema per richiederlo come documento gratuito.
- Numero di tubi
- 15
- Valvole
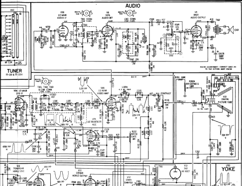
- 4ES8 5EU8 3BZ6 3BZ6 8GN8 3BU8 or 3GS8 3BU8 3DT6 8BQ5 5EA8 or 5GH8 12DQ6B 12AF3 3A3 7EY6 19AFP4
- Principio generale
- Supereterodina con stadio RF
- Gamme d'onda
- VHF/UHF (ved. i dettagli nelle note)
- Tensioni di funzionamento
- Alimentazione a corrente alternata (CA) / 60 cycles, 120 Volt
- Altoparlante
- AP magnetodinamico ellittico (magnete permanente e bobina mobile).
- Materiali
- Mobile in legno
- Radiomuseum.org
- Modello: 19K12W Ch= TS-435 - Motorola Inc. ex Galvin Mfg.Co
- Forma
- Console di qualsiasi tipo
- Annotazioni
-
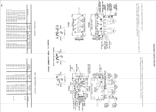
The Motorola 19K12W is a 19" b/w TV with US standard VHF Tuner channels 2 thru 13. Equipped with chassis TS-435, VHF tuner TT-133 and picture tube 19AFP4. Uses Elliptical 6" x 9" PM speaker. Console model, walnut cabinet. Has Qty(2) Selenium Rectifiers used for the phase detector, Qty(2) diodes used for power supply rectification and Qty(1) germanium diode video detector.
- Fonte dei dati
- - - Manufacturers Literature
- Letteratura / Schemi (1)
- - - Manufacturers Literature (Motorola Datasheet 68P65110A07)
- Letteratura / Schemi (2)
- Photofact Folder, Howard W. SAMS (Set 533 Folder 1 1953)
- Autore
- Modello inviato da John Kusching. Utilizzare "Proponi modifica" per inviare ulteriori dati.
- Altri modelli
-
In questo link sono elencati 4653 modelli, di cui 2980 con immagini e 4153 con schemi.
Elenco delle radio e altri apparecchi della Motorola Inc. (ex Galvin Mfg.Co. Chicago); Schaumburg (IL)