19K2 Ch= TS-101
Motorola Inc. (ex Galvin Mfg.Co. Chicago); Schaumburg (IL)
- Country
- United States of America (USA)
- Manufacturer / Brand
- Motorola Inc. (ex Galvin Mfg.Co. Chicago); Schaumburg (IL)
- Year
- 1951 ?
- Category
- Television Receiver (TV) or Monitor
- Radiomuseum.org ID
- 343227
Click on the schematic thumbnail to request the schematic as a free document.
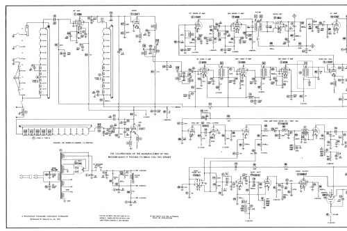
- Number of Tubes
- 21
- Valves / Tubes
- 6CB6 12AT7 6CB6 6CB6 6CB6 12AU7 6AH6 6AU6 6AL5 6J5GT 6V6GT 6SN7GT 6SN7GT 6W6GT 6AL5 6SN7GT 6BQ6GT 6W4GT 1B3GT 5U4G 20DP4A
- Main principle
- Superhet with RF-stage
- Wave bands
- Wave Bands given in the notes.
- Power type and voltage
- Alternating Current supply (AC) / 60 Hz, 117V = 110 -120 Volt
- Loudspeaker
- Permanent Magnet Dynamic (PDyn) Loudspeaker (moving coil)
- Material
- Wooden case
- from Radiomuseum.org
- Model: 19K2 Ch= TS-101 - Motorola Inc. ex Galvin Mfg.Co
- Shape
- Console, Lowboy (legs < 50 %).
- Notes
-
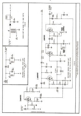
Motorola model 19K2 is a 21” b/w TV with US standard VHF tuner channels 2 thru 13.
Equipped with chassis TS-101, VHF tuner 1X701180 and picture tube 20DP4A.
- Literature/Schematics (1)
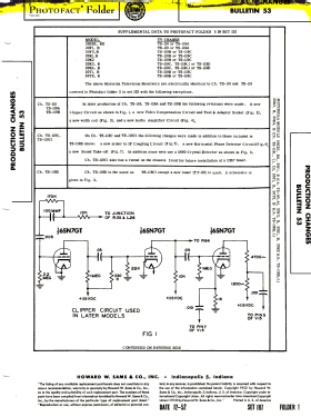
- Photofact Folder, Howard W. SAMS (Set 122 Folder 5 dated 1-51)
- Author
- Model page created by Dirk Taekels. See "Data change" for further contributors.
- Other Models
-
Here you find 4653 models, 2980 with images and 4153 with schematics for wireless sets etc. In French: TSF for Télégraphie sans fil.
All listed radios etc. from Motorola Inc. (ex Galvin Mfg.Co. Chicago); Schaumburg (IL)