20T1B Ch= TS-119B, C
Motorola Inc. (ex Galvin Mfg.Co. Chicago); Schaumburg (IL)
- Produttore / Marca
- Motorola Inc. (ex Galvin Mfg.Co. Chicago); Schaumburg (IL)
- Anno
- 1951 ?
- Categoria
- Televisore (TV) / Monitor
- Radiomuseum.org ID
- 359695
Clicca sulla miniatura dello schema per richiederlo come documento gratuito.
- Numero di tubi
- 21
- Valvole
- 6CB6 12AT7 6CB6 6CB6 6CB6 12AU7 6AH6 6AU6 6AL5 6J5GT 6V6GT 6SN7GT 6SN7GT 6W6GT 6AL5 6SN7GT 6BQ6GT 6W4GT 1B3GT 5U4G 20DP4A
- Principio generale
- Supereterodina con stadio RF
- Gamme d'onda
- Gamme d'onda nelle note.
- Tensioni di funzionamento
- Alimentazione a corrente alternata (CA) / 60Hz, 117V=110-120 Volt
- Altoparlante
- AP magnetodinamico (magnete permanente e bobina mobile)
- Materiali
- Mobile in legno
- Radiomuseum.org
- Modello: 20T1B Ch= TS-119B, C - Motorola Inc. ex Galvin Mfg.Co
- Forma
- Console, con gambe d'appoggio basse (< 50%).
- Annotazioni
- 
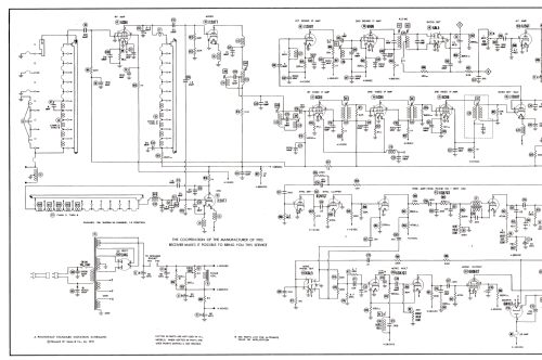
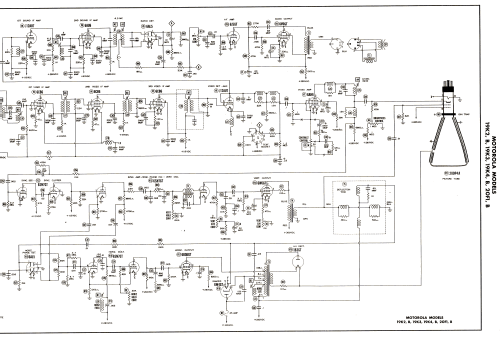
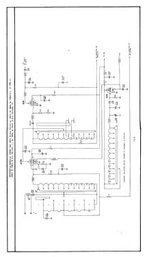
        Motorola model 20T1B is a 21” b/w TV with US standard VHF tuner channels 2 thru 13. 
 Equipped with chassis TS-119 B, C, VHF tuner 1X701180 and picture tube 20DP4A.
- Letteratura / Schemi (1)
- Photofact Folder, Howard W. SAMS (Set 122, folder 5, dated 1-51)
- Letteratura / Schemi (2)
- Photofact Folder, Howard W. SAMS (Set 187, folder1, dated 12-52)
- Autore
- Modello inviato da Dirk Taekels. Utilizzare "Proponi modifica" per inviare ulteriori dati.
- Altri modelli
- 
        In questo link sono elencati 4655 modelli, di cui 2982 con immagini e 4154 con schemi. 
 Elenco delle radio e altri apparecchi della Motorola Inc. (ex Galvin Mfg.Co. Chicago); Schaumburg (IL)
 
                
                
                
                
                
                
                
                
                
                
                
                
                
                
                
                
               