21F8B Ch= TS-544
Motorola Inc. (ex Galvin Mfg.Co. Chicago); Schaumburg (IL)
- Pays
- Etats-Unis
- Fabricant / Marque
- Motorola Inc. (ex Galvin Mfg.Co. Chicago); Schaumburg (IL)
- Année
- 1958 ?
- Catégorie
- Récepteur de télévision ou moniteur
- Radiomuseum.org ID
- 323468
Cliquez sur la vignette du schéma pour le demander en tant que document gratuit.
- No. de tubes
- 19
- Lampes / Tubes
- 6BC8 6U8 3BZ6 3BZ6 3CB6 12BY7A 3BU8 3CB6 3DT6 6AQ5 6CG7 6AQ5 6AL5 6CG7 6DQ6 6AU4GT 3A3 5U4GB 21CBP4A
- Principe général
- Super hétérodyne avec étage HF
- Gammes d'ondes
- Bandes en notes
- Tension / type courant
- Alimentation Courant Alternatif (CA) / 60 Hz, 117V = 110 -120 Volt
- Haut-parleur
- HP dynamique à aimant permanent + bobine mobile
- Matière
- Boitier en bois
- De Radiomuseum.org
- Modèle: 21F8B Ch= TS-544 - Motorola Inc. ex Galvin Mfg.Co
- Forme
- Console avec pieds bas < 50% de la hauteur
- Remarques
-
Motorola model 21F8B is a 21" b/w TV with US standard VHF tuner channels 2 thru 13. Equipped with chassis TS-544, VHF tuner TT98Y and picture tube 21CBP4A.
- Schémathèque (1)
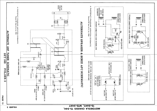
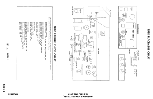
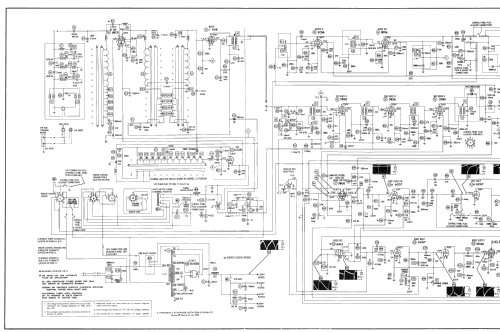
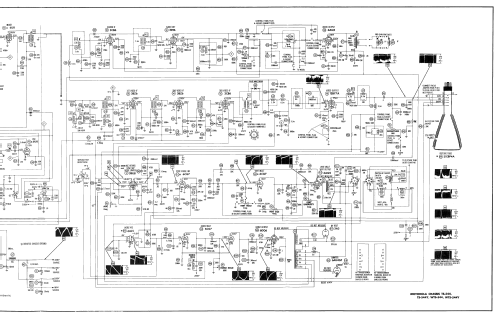
- Photofact Folder, Howard W. SAMS (Set 393 Folder 2 dated 3-58)
- Auteur
- Modèle crée par Dirk Taekels. Voir les propositions de modification pour les contributeurs supplémentaires.
- D'autres Modèles
-
Vous pourrez trouver sous ce lien 4653 modèles d'appareils, 2980 avec des images et 4153 avec des schémas.
Tous les appareils de Motorola Inc. (ex Galvin Mfg.Co. Chicago); Schaumburg (IL)