21K1 Ch= TS-351, Ch= HS-316
Motorola Inc. (ex Galvin Mfg.Co. Chicago); Schaumburg (IL)
- Country
- United States of America (USA)
- Manufacturer / Brand
- Motorola Inc. (ex Galvin Mfg.Co. Chicago); Schaumburg (IL)
- Year
- 1952 ?
- Category
- Television Receiver (TV) or Monitor
- Radiomuseum.org ID
- 356441
Click on the schematic thumbnail to request the schematic as a free document.
- Number of Tubes
- 26
- Valves / Tubes
- 6CB6 6U8 6CB6 6CB6 6CB6 6AH6 6AU6 6AL5 6SN7GTA 6W6GT 6SN7GTA 12BH7 6SN7GTA 6BQ6GT 12AX4GT 1B3GT 6AU6 6BA7 6BA6 6AU6 6AL5 6AV6 6V6GT 6V6GT 7Z4 20HP4B
- Conflicting model year with tube data.
- The model date contradicts tube dates. [ 6U8 (1953)]
- Main principle
- Superhet with RF-stage
- Wave bands
- Wave Bands given in the notes.
- Details
- Changer (Record changer)
- Power type and voltage
- Alternating Current supply (AC) / 60Hz, 117V=110-120 Volt
- Loudspeaker
- Permanent Magnet Dynamic (PDyn) Loudspeaker (moving coil) / Ø 10 inch = 25.4 cm
- Material
- Wooden case
- from Radiomuseum.org
- Model: 21K1 Ch= TS-351, Ch= HS-316 - Motorola Inc. ex Galvin Mfg.Co
- Shape
- Console, Lowboy (legs < 50 %).
- Notes
-
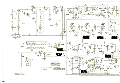
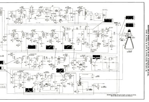
Motorola model 21K1 is a 20” b/w TV with US standard VHF tuner channels 2 thru 13. Equipped with chassis TS-351, radio chassis HS-316 , a TV-AM-FM-phono combination, VHF tuner 1X703205 and picture tube 20HP4B.
- Literature/Schematics (1)
- Photofact Folder, Howard W. SAMS (Set 173, folder 9, dated 7-52)
- Author
- Model page created by Dirk Taekels. See "Data change" for further contributors.
- Other Models
-
Here you find 4655 models, 2982 with images and 4154 with schematics for wireless sets etc. In French: TSF for Télégraphie sans fil.
All listed radios etc. from Motorola Inc. (ex Galvin Mfg.Co. Chicago); Schaumburg (IL)