- Pays
- Etats-Unis
- Fabricant / Marque
- Motorola Inc. (ex Galvin Mfg.Co. Chicago); Schaumburg (IL)
- Année
- 1955 ?
- Catégorie
- Autoradio, ev. avec cassette
- Radiomuseum.org ID
- 81800
Cliquez sur la vignette du schéma pour le demander en tant que document gratuit.
- No. de tubes
- 6
- Principe général
- Super hétérodyne avec étage HF; FI/IF 455 kHz; 2 Etage(s) BF
- Circuits accordés
- 7 Circuits MA (AM)
- Gammes d'ondes
- PO uniquement
- Tension / type courant
- Accumulateur (par exemple pour autoradios ou radio) / 12 Volt
- Haut-parleur
- HP dynamique à aimant permanent + bobine mobile / Ø 5.25 inch = 13.3 cm
- Matière
- Boitier métallique
- De Radiomuseum.org
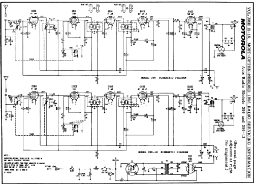
- Modèle: 396-12 - Motorola Inc. ex Galvin Mfg.Co
- Forme
- Chassis (pour intégration dans meuble)
- Remarques
- Vibrator for +B
- Source du schéma
- Beitman Radio Diagrams Vol. 16, 1956
- Schémathèque (1)
- Photofact Folder, Howard W. SAMS (Set 334 Folder 6 dated 10-56)
- Auteur
- Modèle crée par Egon Penker. Voir les propositions de modification pour les contributeurs supplémentaires.
- D'autres Modèles
- 
        Vous pourrez trouver sous ce lien 4655 modèles d'appareils, 2982 avec des images et 4154 avec des schémas. 
 Tous les appareils de Motorola Inc. (ex Galvin Mfg.Co. Chicago); Schaumburg (IL)
 
                
                
                
                
                
                
                
                
                
                
               