3H24S-1 Ch= HS-602
Motorola Inc. (ex Galvin Mfg.Co. Chicago); Schaumburg (IL)
- País
- Estados Unidos
- Fabricante / Marca
- Motorola Inc. (ex Galvin Mfg.Co. Chicago); Schaumburg (IL)
- Año
- 1957/1958
- Categoría
- Registrador o reproductor de sonido o visual
- Radiomuseum.org ID
- 84245
Haga clic en la miniatura esquemática para solicitarlo como documento gratuito.
- Numero de valvulas
- 3
- Principio principal
- Amplificador de Audio
- Gama de ondas
- - no hay
- Especialidades
- Tocadiscos con ampli. y altavoz
- Tensión de funcionamiento
- Red: Corriente alterna (CA, Inglés = AC) / 120 Volt
- Altavoz
- 3 Altavoces
- de Radiomuseum.org
- Modelo: 3H24S-1 Ch= HS-602 - Motorola Inc. ex Galvin Mfg.Co
- Forma
- Sobremesa de cualquier forma, detalles no conocidos.
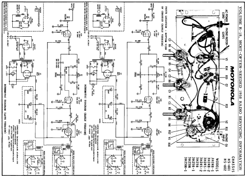
- Referencia esquema
- Beitman Radio Diagrams Vol. 18, 1958
- Documentación / Esquemas (3)
- Motorola Folder No. 3754 for 1958.
- Autor
- Modelo creado por Egon Penker. Ver en "Modificar Ficha" los participantes posteriores.
- Otros modelos
-
Donde encontrará 4653 modelos, 2980 con imágenes y 4153 con esquemas.
Ir al listado general de Motorola Inc. (ex Galvin Mfg.Co. Chicago); Schaumburg (IL)