- Produttore / Marca
- Motorola Inc. (ex Galvin Mfg.Co. Chicago); Schaumburg (IL)
- Anno
- 1950
- Categoria
- Autoradio, eventualmente con registratore a cassette o giradischi
- Radiomuseum.org ID
- 48769
Clicca sulla miniatura dello schema per richiederlo come documento gratuito.
- Numero di tubi
- 6
- Principio generale
- Supereterodina con stadio RF; ZF/IF 455 kHz; 2 Stadi BF
- N. di circuiti accordati
- 7 Circuiti Mod. Amp. (AM)
- Gamme d'onda
- Solo onde medie (OM).
- Tensioni di funzionamento
- Batteria di accumulatori, per tutto (es. autoradio, radio amatoriali) / 6 Volt
- Altoparlante
- AP magnetodinamico (magnete permanente e bobina mobile) / Ø 5.25 inch = 13.3 cm
- Materiali
- Mobile di metallo
- Radiomuseum.org
- Modello: 400 - Motorola Inc. ex Galvin Mfg.Co
- Forma
- Chassis o in scatola da montaggio
- Dimensioni (LxAxP)
- 6.2 x 5.9 x 9.2 inch / 157 x 150 x 234 mm
- Annotazioni
- vibrator G-1 for +B.
Polished chrome finish.
- Prezzo nel primo anno
- 39.95 USD
- Fonte esterna dei dati
- Ernst Erb
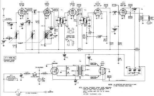
- Riferimenti schemi
- Rider's Perpetual, Volume 21, Copyright 1950
- Letteratura / Schemi (1)
- Beitman Radio Diagrams, Vol. 10, 1950
- Altri modelli
-
In questo link sono elencati 4655 modelli, di cui 2982 con immagini e 4154 con schemi.
Elenco delle radio e altri apparecchi della Motorola Inc. (ex Galvin Mfg.Co. Chicago); Schaumburg (IL)