56CS3-A Ch= HS-490
Motorola Inc. (ex Galvin Mfg.Co. Chicago); Schaumburg (IL)
- Pays
- Etats-Unis
- Fabricant / Marque
- Motorola Inc. (ex Galvin Mfg.Co. Chicago); Schaumburg (IL)
- Année
- 1955 ?
- Catégorie
- Radio - ou tuner d'après la guerre 1939-45
- Radiomuseum.org ID
- 264473
Cliquez sur la vignette du schéma pour le demander en tant que document gratuit.
- No. de tubes
- 5
- Principe général
- Super hétérodyne (en général); FI/IF 455 kHz; 2 Etage(s) BF
- Circuits accordés
- 6 Circuits MA (AM)
- Gammes d'ondes
- PO uniquement
- Tension / type courant
- Alimentation Courant Alternatif (CA) / 60 cycles, 117 Volt
- Haut-parleur
- HP dynamique à aimant permanent + bobine mobile / Ø 4 inch = 10.2 cm
- Matière
- Plastique moderne (pas de bakélite, ni de catalin)
- De Radiomuseum.org
- Modèle: 56CS3-A Ch= HS-490 - Motorola Inc. ex Galvin Mfg.Co
- Forme
- Modèle de table avec réveil ou horloge
- Remarques
-
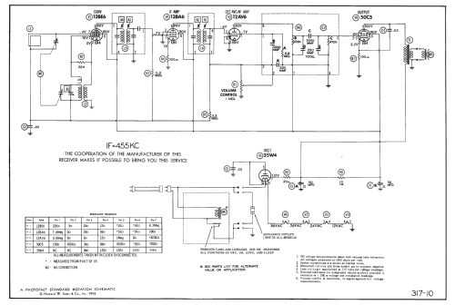
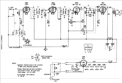
The Motorola 56CS3-A is an AC operated 5 tube AM Clock Radio. The AM band tuning range is 535 to 1620kHz. Uses chassis HS-490. Has built-in loop antenna.
The following models use the same schematic and chassis but have slight differences as noted in the table below:
Model Cabinet Color 1100W clock controlled appliance outlet Differences 56CE1 Ebony No 56CS1 Mahogany Yes 56CS2 White Yes 56CS3 Red Yes 56CS4 Green Yes 56CE1-A Ebony No See Note 56CS1-A Mahogany Yes See Note 56CS2-A White Yes See Note 56CS3-A Red Yes See Note 56CS4-A Green Yes See Note Note: The -A versions are late production versions that use a Telechron clock, a different back cover to fit different clock rear adjustments and C5 changed from 200V rating to 400V rating. The 56CE1-A also has a different operation selector knob.
- Schémathèque (1)
- - - Manufacturers Literature (Motorola Datasheet 68P634936)
- Schémathèque (2)
- Beitman Radio Diagrams, Vol. 16, 1956 (Page 60)
- Schémathèque (3)
- Photofact Folder, Howard W. SAMS (Set 317, folder 10 dated 5-56)
- Schémathèque (4)
- - - Manufacturers Literature (Motorola Datasheet 68P634985)
- Auteur
- Modèle crée par John Kusching. Voir les propositions de modification pour les contributeurs supplémentaires.
- D'autres Modèles
-
Vous pourrez trouver sous ce lien 4653 modèles d'appareils, 2980 avec des images et 4153 avec des schémas.
Tous les appareils de Motorola Inc. (ex Galvin Mfg.Co. Chicago); Schaumburg (IL)