5C22M Ch= HS-578
Motorola Inc. (ex Galvin Mfg.Co. Chicago); Schaumburg (IL)
- Land
- USA
- Hersteller / Marke
- Motorola Inc. (ex Galvin Mfg.Co. Chicago); Schaumburg (IL)
- Jahr
- 1957/1958
- Kategorie
- Rundfunkempfänger (Radio - oder Tuner nach WW2)
- Radiomuseum.org ID
- 84251
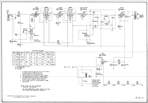
Klicken Sie auf den Schaltplanausschnitt, um diesen kostenlos als Dokument anzufordern.
- Anzahl Röhren
- 5
- Hauptprinzip
- Superhet allgemein; ZF/IF 455 kHz; 2 NF-Stufe(n)
- Anzahl Kreise
- 6 Kreis(e) AM
- Wellenbereiche
- Mittelwelle, keine anderen.
- Betriebsart / Volt
- Wechselstromspeisung / 110 - 120 Volt
- Lautsprecher
- Dynamischer LS, keine Erregerspule (permanentdynamisch) / Ø 4 inch = 10.2 cm
- Material
- Plastikgehäuse (nicht Bakelit), Thermoplast
- von Radiomuseum.org
- Modell: 5C22M Ch= HS-578 - Motorola Inc. ex Galvin Mfg.Co
- Form
- Tischgerät mit integrierter Uhr (Uhrenradio, Radiowecker).
- Bemerkung
-
Cabinet color is Mahogany. There are the same Motorola models 5C22 in different colors: model 5C22M in Mahogany, model 5C22N in Mocha, model 5C22P in Pink, model 5C22W in Antique White and model 5C22Y in Yellow (Citron). All with Placir chassis.
- Schaltungsnachweis
- Beitman Radio Diagrams Vol. 18, 1958
- Literaturnachweis
- Collector's Guide to Antique Radios (6th edition)
- Literatur/Schema (1)
- Photofact Folder, Howard W. SAMS (Date 8-58, Set 410, Folder 11)
- Literatur/Schema (3)
- Motorola Folder No. 3752, for 1958.
- Autor
- Modellseite von Egon Penker angelegt. Siehe bei "Änderungsvorschlag" für weitere Mitarbeit.
- Weitere Modelle
-
Hier finden Sie 4655 Modelle, davon 2982 mit Bildern und 4154 mit Schaltbildern.
Alle gelisteten Radios usw. von Motorola Inc. (ex Galvin Mfg.Co. Chicago); Schaumburg (IL)