5K11B Ch= HS-673, A, B, C, C-1, D
Motorola Inc. (ex Galvin Mfg.Co. Chicago); Schaumburg (IL)
- País
- Estados Unidos
- Fabricante / Marca
- Motorola Inc. (ex Galvin Mfg.Co. Chicago); Schaumburg (IL)
- Año
- 1959
- Categoría
- Registrador o reproductor de sonido o visual
- Radiomuseum.org ID
- 72159
Haga clic en la miniatura esquemática para solicitarlo como documento gratuito.
- Numero de valvulas
- 5
- Principio principal
- Amplificador de Audio
- Gama de ondas
- - no hay
- Especialidades
- Tocadiscos con ampli. y altavoz
- Tensión de funcionamiento
- Red: Corriente alterna (CA, Inglés = AC) / 110 - 120 Volt
- Altavoz
- 3 Altavoces
- Potencia de salida
- 8 W (unknown quality)
- Material
- Madera
- de Radiomuseum.org
- Modelo: 5K11B Ch= HS-673, A, B, C, C-1, D - Motorola Inc. ex Galvin Mfg.Co
- Forma
- Consola baja, patas más cortas del 50%.
- Anotaciones
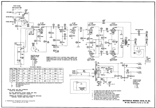
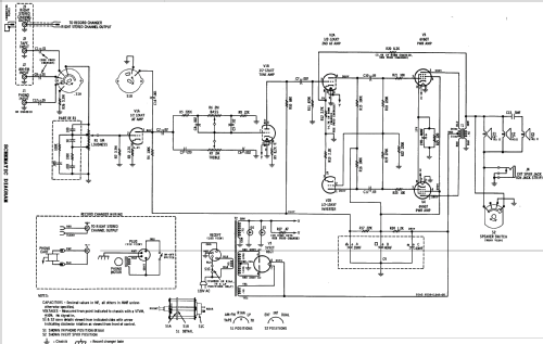
- The Motorola Model 5K11B is an AC operated 5 Tube mono Phono Amplifier with 4 Speed Automatic Record Changer. Cabinet is Blonde Oak. This model has a 12" PM speaker, a 6" PM speaker and a 4" PM speaker. Uses Record Changer VM19RC. Also has provisions for conversion to stereo operation with use of a conversion kit.
- Referencia esquema
- Beitman Radio Diagrams Vol. 19, 1959
- Documentación / Esquemas (1)
- Photofact Folder, Howard W. SAMS (Date 6-59, Set 447, Folder 8)
- Documentación / Esquemas (2)
- - - Manufacturers Literature
- Autor
- Modelo creado por Hinrich Grensemann † 15.5.16. Ver en "Modificar Ficha" los participantes posteriores.
- Otros modelos
-
Donde encontrará 4653 modelos, 2980 con imágenes y 4153 con esquemas.
Ir al listado general de Motorola Inc. (ex Galvin Mfg.Co. Chicago); Schaumburg (IL)