6TAS8 KOES6 1956 Oldsmobile
Motorola Inc. (ex Galvin Mfg.Co. Chicago); Schaumburg (IL)
- Country
- United States of America (USA)
- Manufacturer / Brand
- Motorola Inc. (ex Galvin Mfg.Co. Chicago); Schaumburg (IL)
- Year
- 1955 ?
- Category
- Car Radio, perhaps also + sound player/recorder
- Radiomuseum.org ID
- 81778
Click on the schematic thumbnail to request the schematic as a free document.
- Number of Tubes
- 8
- Number of Transistors
- 1
- Main principle
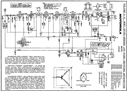
- Superhet with RF-stage; ZF/IF 262.5 kHz; 34 AF stage(s)
- Tuned circuits
- 7 AM circuit(s)
- Wave bands
- Broadcast only (MW).
- Power type and voltage
- Storage Battery for all (e.g. for car radios and amateur radios) / 14 Volt
- Loudspeaker
- Permanent Magnet Dynamic (PDyn) Loudspeaker (moving coil)
- Material
- Metal case
- from Radiomuseum.org
- Model: 6TAS8 KOES6 1956 Oldsmobile - Motorola Inc. ex Galvin Mfg.Co
- Shape
- Chassis only or for «building in»
- Notes
- Station finder via foot pedal control
- Circuit diagram reference
- Beitman Radio Diagrams Vol. 16, 1956
- Author
- Model page created by Egon Penker. See "Data change" for further contributors.
- Other Models
-
Here you find 4653 models, 2980 with images and 4153 with schematics for wireless sets etc. In French: TSF for Télégraphie sans fil.
All listed radios etc. from Motorola Inc. (ex Galvin Mfg.Co. Chicago); Schaumburg (IL)