CT1M Chevrolet
Motorola Inc. (ex Galvin Mfg.Co. Chicago); Schaumburg (IL)
- País
- Estados Unidos
- Fabricante / Marca
- Motorola Inc. (ex Galvin Mfg.Co. Chicago); Schaumburg (IL)
- Año
- 1951 ?
- Categoría
- Autoradio
- Radiomuseum.org ID
- 49342
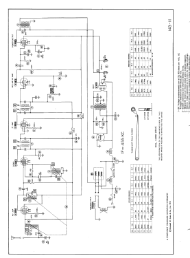
Haga clic en la miniatura esquemática para solicitarlo como documento gratuito.
- Numero de valvulas
- 6
- Principio principal
- Superheterodino con paso previo de RF; ZF/IF 455 kHz; 2 Etapas de AF
- Número de circuitos sintonía
- 7 Circuíto(s) AM
- Gama de ondas
- OM (onda media) solamente
- Tensión de funcionamiento
- Bateria recargable / 6 Volt
- Altavoz
- Altavoz elíptico de imán permanente.
- Material
- Metálico
- de Radiomuseum.org
- Modelo: CT1M Chevrolet - Motorola Inc. ex Galvin Mfg.Co
- Forma
- Chasis (tambien de autoradio)
- Anotaciones
-
Motorola model CT1M is a battery operated custom-built 1951 Chevrolet automotive superheterodyne receiver. Vibrator for +B ; alternatively Speaker PM, 5" x 7" available.
- Ext. procedencia de los datos
- Ernst Erb
- Referencia esquema
- Beitman Radio Diagrams Vol. 11, 1951
- Documentación / Esquemas (1)
- Rider's Perpetual, Volume 22 = covering 1951
- Documentación / Esquemas (2)
- Photofact Folder, Howard W. SAMS (Set 143, folder 11, dated 9-51)
- Otros modelos
-
Donde encontrará 4653 modelos, 2980 con imágenes y 4153 con esquemas.
Ir al listado general de Motorola Inc. (ex Galvin Mfg.Co. Chicago); Schaumburg (IL)