Ford 95MF Ch= B9FA-18806-B
Motorola Inc. (ex Galvin Mfg.Co. Chicago); Schaumburg (IL)
- País
- Estados Unidos
- Fabricante / Marca
- Motorola Inc. (ex Galvin Mfg.Co. Chicago); Schaumburg (IL)
- Año
- 1959
- Categoría
- Autoradio
- Radiomuseum.org ID
- 72101
Haga clic en la miniatura esquemática para solicitarlo como documento gratuito.
- Numero de valvulas
- 5
- Numero de transistores
- 3
- Principio principal
- Superheterodino con paso previo de RF; ZF/IF 262.5 kHz; 3 Etapas de AF
- Número de circuitos sintonía
- 7 Circuíto(s) AM
- Gama de ondas
- OM (onda media) solamente
- Tensión de funcionamiento
- Baterías recargables o pilas / 14 Volt
- Altavoz
- Altavoz elíptico de imán permanente.
- Material
- Metálico
- de Radiomuseum.org
- Modelo: Ford 95MF Ch= B9FA-18806-B - Motorola Inc. ex Galvin Mfg.Co
- Forma
- Chasis (tambien de autoradio)
- Anotaciones
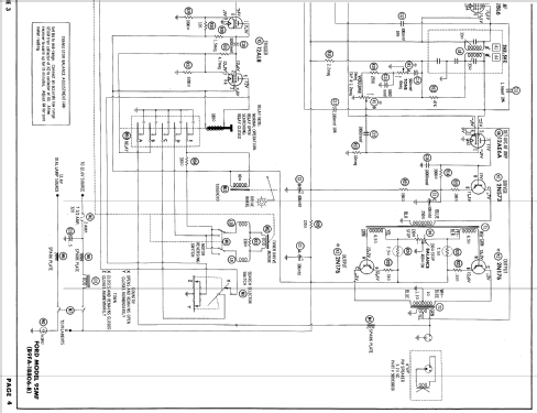
- 3Trans: 2N573, 2x2N176 The Motorola Model 95MF is a Battery operated 5 Tube Custom Built AM Automobile Receiver with Transistorized Output.
- Referencia esquema
- Beitman Radio Diagrams Vol. 19, 1959
- Documentación / Esquemas (1)
- Photofact Folder, Howard W. SAMS (Date 5-59, Set 443, Folder 6)
- Autor
- Modelo creado por Hinrich Grensemann † 15.5.16. Ver en "Modificar Ficha" los participantes posteriores.
- Otros modelos
-
Donde encontrará 4653 modelos, 2980 con imágenes y 4153 con esquemas.
Ir al listado general de Motorola Inc. (ex Galvin Mfg.Co. Chicago); Schaumburg (IL)