MoPar 843 DeSoto S23, S24
Motorola Inc. (ex Galvin Mfg.Co. Chicago); Schaumburg (IL)
- Country
- United States of America (USA)
- Manufacturer / Brand
- Motorola Inc. (ex Galvin Mfg.Co. Chicago); Schaumburg (IL)
- Year
- 1955 ?
- Category
- Car Radio, perhaps also + sound player/recorder
- Radiomuseum.org ID
- 81805
Click on the schematic thumbnail to request the schematic as a free document.
- Number of Tubes
- 8
- Main principle
- Superhet with RF-stage; ZF/IF 262 kHz; 2 AF stage(s)
- Tuned circuits
- 7 AM circuit(s)
- Wave bands
- Broadcast only (MW).
- Power type and voltage
- Storage Battery for all (e.g. for car radios and amateur radios) / 12 Volt
- Loudspeaker
- Permanent Magnet Dynamic (PDyn) Loudspeaker (moving coil) - elliptical
- Material
- Metal case
- from Radiomuseum.org
- Model: MoPar 843 DeSoto S23, S24 - Motorola Inc. ex Galvin Mfg.Co
- Shape
- Chassis only or for «building in»
- Notes
-
Vibrator for +B; Push-pull output stage.
Speaker size 6x9 inch.
- Circuit diagram reference
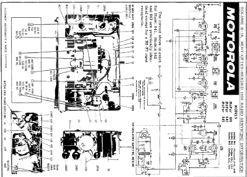
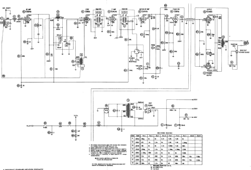
- Beitman Radio Diagrams Vol. 16, 1956
- Literature/Schematics (1)
- Photofact Folder, Howard W. SAMS (Set 347 Folder 8 Date 2-57)
- Literature/Schematics (2)
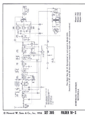
- Photofact Folder, Howard W. SAMS (set 305 Folder 18-S dated 1956)
- Author
- Model page created by Egon Penker. See "Data change" for further contributors.
- Other Models
-
Here you find 4653 models, 2980 with images and 4153 with schematics for wireless sets etc. In French: TSF for Télégraphie sans fil.
All listed radios etc. from Motorola Inc. (ex Galvin Mfg.Co. Chicago); Schaumburg (IL)