MoPar 910HR Dodge D62, D63
Motorola Inc. (ex Galvin Mfg.Co. Chicago); Schaumburg (IL)
- Produttore / Marca
- Motorola Inc. (ex Galvin Mfg.Co. Chicago); Schaumburg (IL)
- Anno
- 1955 ?
- Categoria
- Autoradio, eventualmente con registratore a cassette o giradischi
- Radiomuseum.org ID
- 100989
Clicca sulla miniatura dello schema per richiederlo come documento gratuito.
- Numero di tubi
- 9
- Principio generale
- Supereterodina con stadio RF; ZF/IF 262 kHz; 2 Stadi BF
- N. di circuiti accordati
- 7 Circuiti Mod. Amp. (AM)
- Gamme d'onda
- Solo onde medie (OM).
- Tensioni di funzionamento
- Batteria di accumulatori, per tutto (es. autoradio, radio amatoriali) / 12 Volt
- Altoparlante
- AP magnetodinamico ellittico (magnete permanente e bobina mobile).
- Materiali
- Mobile di metallo
- Radiomuseum.org
- Modello: MoPar 910HR Dodge D62, D63 - Motorola Inc. ex Galvin Mfg.Co
- Forma
- Chassis o in scatola da montaggio
- Annotazioni
-
Vibrator for +B; Pushbuttons.
Speaker 6x9 inch.
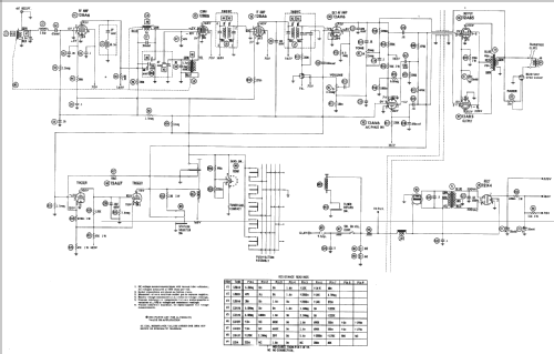
- Riferimenti schemi
- Photofact Folder, Howard W. SAMS
- Letteratura / Schemi (1)
- Photofact Folder, Howard W. SAMS (Set 348 Folder 9 date 2 - 57)
- Autore
- Modello inviato da Peter Hoddow. Utilizzare "Proponi modifica" per inviare ulteriori dati.
- Altri modelli
-
In questo link sono elencati 4653 modelli, di cui 2980 con immagini e 4153 con schemi.
Elenco delle radio e altri apparecchi della Motorola Inc. (ex Galvin Mfg.Co. Chicago); Schaumburg (IL)