- Pays
- Etats-Unis
- Fabricant / Marque
- Motorola Inc. (ex Galvin Mfg.Co. Chicago); Schaumburg (IL)
- Année
- 1955 ?
- Catégorie
- Autoradio, ev. avec cassette
- Radiomuseum.org ID
- 81847
Cliquez sur la vignette du schéma pour le demander en tant que document gratuit.
- No. de tubes
- 9
- Principe général
- Super hétérodyne avec étage HF; FI/IF 262 kHz; 2 Etage(s) BF
- Circuits accordés
- 7 Circuits MA (AM)
- Gammes d'ondes
- PO uniquement
- Tension / type courant
- Accumulateur (par exemple pour autoradios ou radio) / 12 Volt
- Haut-parleur
- - Ce modèle nécessite des HP externes / Ø 7 inch = 17.8 cm
- Matière
- Boitier métallique
- De Radiomuseum.org
- Modèle: MoPar 916 - Motorola Inc. ex Galvin Mfg.Co
- Forme
- Chassis (pour intégration dans meuble)
- Remarques
- Vibrator for +B; Pushbuttons, Motordrive.
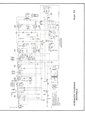
- Source du schéma
- Beitman Radio Diagrams Vol. 16, 1956
- Littérature
- Photofact Folder, Howard W. SAMS (Set 352, Folder 9, Date 3-57)
- Schémathèque (1)
- Photofact Folder, Howard W. SAMS (Set 305 Folder 18-S dated 1956)
- Auteur
- Modèle crée par Egon Penker. Voir les propositions de modification pour les contributeurs supplémentaires.
- D'autres Modèles
-
Vous pourrez trouver sous ce lien 4653 modèles d'appareils, 2980 avec des images et 4153 avec des schémas.
Tous les appareils de Motorola Inc. (ex Galvin Mfg.Co. Chicago); Schaumburg (IL)