- Produttore / Marca
- Motorola Inc. (ex Galvin Mfg.Co. Chicago); Schaumburg (IL)
- Anno
- 1951 ??
- Categoria
- Autoradio, eventualmente con registratore a cassette o giradischi
- Radiomuseum.org ID
- 49384
Clicca sulla miniatura dello schema per richiederlo come documento gratuito.
- Numero di tubi
- 6
- Principio generale
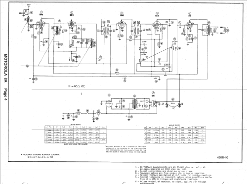
- Supereterodina con stadio RF; ZF/IF 455 kHz
- N. di circuiti accordati
- 7 Circuiti Mod. Amp. (AM)
- Gamme d'onda
- Solo onde medie (OM).
- Tensioni di funzionamento
- Batteria di accumulatori, per tutto (es. autoradio, radio amatoriali) / 6 Volt
- Altoparlante
- - Questo apparecchio richiede altoparlante/i esterno/i.
- Potenza d'uscita
- 3 W (qualità ignota)
- Radiomuseum.org
- Modello: NH8 CH= 8A - Motorola Inc. ex Galvin Mfg.Co
- Annotazioni
- Push-button electric tuner ,model AT-58.
- Fonte esterna dei dati
- Ernst Erb
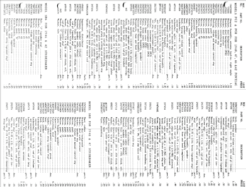
- Riferimenti schemi
- Rider's Perpetual, Volume 19 = 1949 and before
- Bibliografia
- Photofact Folder, Howard W. SAMS (Vol.5/48 4816-16 Set 46 Folder 16)
- Letteratura / Schemi (1)
- Riders 19-1 to 19-6
- Altri modelli
-
In questo link sono elencati 4653 modelli, di cui 2980 con immagini e 4153 con schemi.
Elenco delle radio e altri apparecchi della Motorola Inc. (ex Galvin Mfg.Co. Chicago); Schaumburg (IL)