- Land
- USA
- Hersteller / Marke
- Motorola Inc. (ex Galvin Mfg.Co. Chicago); Schaumburg (IL)
- Jahr
- 1949
- Kategorie
- Autoradio, evtl. kombiniert mit Tonspeichergerät
- Radiomuseum.org ID
- 76303
Klicken Sie auf den Schaltplanausschnitt, um diesen kostenlos als Dokument anzufordern.
- Anzahl Röhren
- 6
- Hauptprinzip
- Super mit HF-Vorstufe; ZF/IF 455 kHz; 2 NF-Stufe(n)
- Anzahl Kreise
- 7 Kreis(e) AM
- Wellenbereiche
- Mittelwelle, keine anderen.
- Betriebsart / Volt
- AKKU-Speisung (für alles, z.B. bei Autoradios und Amateurgeräten) / 6 Volt
- Lautsprecher
- - Dieses Modell benötigt externe(n) Lautsprecher.
- Material
- Metallausführung
- von Radiomuseum.org
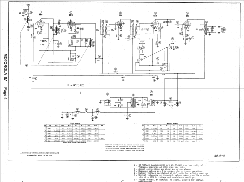
- Modell: PC-2 Ch= 8A - Motorola Inc. ex Galvin Mfg.Co
- Bemerkung
- Vibrator G-1
- Literaturnachweis
- Photofact Folder, Howard W. SAMS (Vol.5/48 4816-16 Set 46 Folder 16)
- Literatur/Schema (1)
- Beitman Radio Diagrams, Vol. 09, 1949
- Autor
- Modellseite von Walter Wiesmüller † May 2012 angelegt. Siehe bei "Änderungsvorschlag" für weitere Mitarbeit.
- Weitere Modelle
-
Hier finden Sie 4655 Modelle, davon 2982 mit Bildern und 4154 mit Schaltbildern.
Alle gelisteten Radios usw. von Motorola Inc. (ex Galvin Mfg.Co. Chicago); Schaumburg (IL)