• Año
  • 1964 ?
  • Categoría
  • Registrador o reproductor de sonido o visual
  • Radiomuseum.org ID
  • 92856

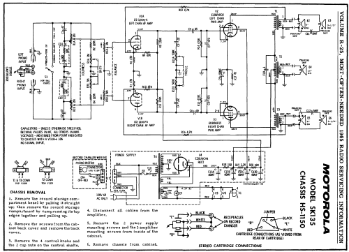
Haga clic en la miniatura esquemática para solicitarlo como documento gratuito.

 Especificaciones técnicas

  • Numero de valvulas
  • 4
  • Principio principal
  • Amplificador de Audio
  • Gama de ondas
  • - no hay
  • Especialidades
  • Tocadiscos con ampli. y altavoz
  • Tensión de funcionamiento
  • Red: Corriente alterna (CA, Inglés = AC) / 120 Volt
  • Altavoz
  • 5 Altavoces
  • de Radiomuseum.org
  • Modelo: SK135 Ch= HS-1150 - Motorola Inc. ex Galvin Mfg.Co
  • Referencia esquema
  • Beitman Radio Diagrams Vol. 25, 1965
  • Autor
  • Modelo creado por Egon Penker. Ver en "Modificar Ficha" los participantes posteriores.

 Colecciones | Museos | Literatura

 Forum