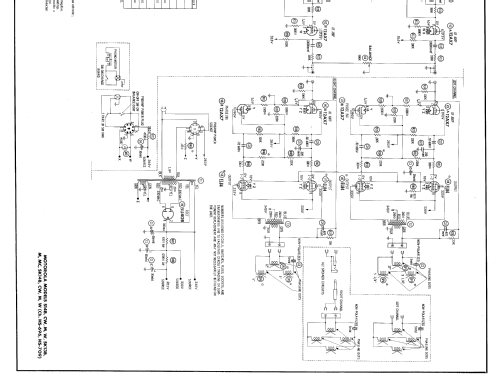
SK14CW Ch= HS-696 + HS-709
Motorola Inc. (ex Galvin Mfg.Co. Chicago); Schaumburg (IL)
- Country
- United States of America (USA)
- Manufacturer / Brand
- Motorola Inc. (ex Galvin Mfg.Co. Chicago); Schaumburg (IL)
- Year
- 1959
- Category
- Sound/Video Recorder and/or Player
- Radiomuseum.org ID
- 152746
Click on the schematic thumbnail to request the schematic as a free document.
- Number of Tubes
- 9
- Main principle
- Audio-Amplification
- Wave bands
- - without
- Details
- Rec.Player+Audio.Amp+LS
- Power type and voltage
- Alternating Current supply (AC) / 110 - 120 Volt
- Loudspeaker
- 7 or more Loudspeakers
- Power out
- 10 W (unknown quality)
- Material
- Wooden case
- from Radiomuseum.org
- Model: SK14CW Ch= HS-696 + HS-709 - Motorola Inc. ex Galvin Mfg.Co
- Shape
- Console, Lowboy (legs < 50 %).
- Notes
- The Motorola Model SK14CW is an AC operated 9 Tube stereo Phono Amplifier with 4 Speed Automatic Record Changer. Uses pre-amp chassis HS-709 and power amp chassis HS-696. Cabinet is Cherry. This model has Qty(1) 15" PM speaker, Qty(1) 12" PM speaker, Qty(2) 5.25" PM speakers and Qty(2) 5" PM speakers. Uses Record Changer VM23RC or VM24RC. Two cabinets make up this model, with the second cabinet holding the right channel speakers (S14CW).
- Literature/Schematics (1)
- Photofact Folder, Howard W. SAMS (Date 8-59, Set 453, Folder 9)
- Literature/Schematics (2)
- - - Manufacturers Literature
- Author
- Model page created by Egon Penker. See "Data change" for further contributors.
- Other Models
-
Here you find 4655 models, 2982 with images and 4153 with schematics for wireless sets etc. In French: TSF for Télégraphie sans fil.
All listed radios etc. from Motorola Inc. (ex Galvin Mfg.Co. Chicago); Schaumburg (IL)