SK14M Ch= HS-696 + HS-709
Motorola Inc. (ex Galvin Mfg.Co. Chicago); Schaumburg (IL)
- Pays
- Etats-Unis
- Fabricant / Marque
- Motorola Inc. (ex Galvin Mfg.Co. Chicago); Schaumburg (IL)
- Année
- 1959
- Catégorie
- Enrégistreur et/ou reproducteur son/video
- Radiomuseum.org ID
- 152745
Cliquez sur la vignette du schéma pour le demander en tant que document gratuit.
- No. de tubes
- 9
- Principe général
- Amplification audio
- Gammes d'ondes
- - sans
- Particularités
- Electrophone avec HP
- Tension / type courant
- Alimentation Courant Alternatif (CA) / 110 - 120 Volt
- Haut-parleur
- 7HP et plus
- Puissance de sortie
- 10 W (qualité inconnue)
- Matière
- Boitier en bois
- De Radiomuseum.org
- Modèle: SK14M Ch= HS-696 + HS-709 - Motorola Inc. ex Galvin Mfg.Co
- Forme
- Console avec pieds bas < 50% de la hauteur
- Remarques
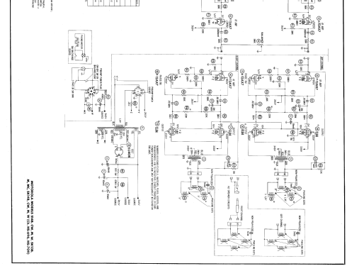
- The Motorola Model SK14M is an AC operated 9 Tube stereo Phono Amplifier with 4 Speed Automatic Record Changer. Uses pre-amp chassis HS-709 and power amp chassis HS-696. Cabinet is Mahogany. This model has Qty(1) 15" PM speaker, Qty(1) 12" PM speaker, Qty(2) 5.25" PM speakers and Qty(2) 5" PM speakers. Uses Record Changer VM23RC or VM24RC. Two cabinets make up this model, with the second cabinet holding the right channel speakers (S14M).
- Schémathèque (1)
- Photofact Folder, Howard W. SAMS (Date 8-59, Set 453, Folder 9)
- Schémathèque (2)
- - - Manufacturers Literature
- Auteur
- Modèle crée par Egon Penker. Voir les propositions de modification pour les contributeurs supplémentaires.
- D'autres Modèles
-
Vous pourrez trouver sous ce lien 4655 modèles d'appareils, 2982 avec des images et 4153 avec des schémas.
Tous les appareils de Motorola Inc. (ex Galvin Mfg.Co. Chicago); Schaumburg (IL)