SK161 Ch= HS-1137 + HS-1138 + HS-1222
Motorola Inc. (ex Galvin Mfg.Co. Chicago); Schaumburg (IL)
- Country
- United States of America (USA)
- Manufacturer / Brand
- Motorola Inc. (ex Galvin Mfg.Co. Chicago); Schaumburg (IL)
- Year
- 1964 ?
- Category
- Broadcast Receiver - or past WW2 Tuner
- Radiomuseum.org ID
- 92807
Click on the schematic thumbnail to request the schematic as a free document.
- Number of Tubes
- 13
- Valves / Tubes
- 6C9_Twin-Tetrode 6AU6 6BA6 6BE6 6AU6 12AX7A 12AX7A 12AX7A EL84 6V6GTA 6V6GTA EL84 5U4GB
- Number of Transistors
- 3
- Semiconductors
- Main principle
- Superheterodyne (common); ZF/IF 455/10700 kHz
- Wave bands
- Broadcast (BC) and FM or UHF.
- Details
- Record Player (perh.Changer)
- Power type and voltage
- Alternating Current supply (AC) / 120 Volt
- Loudspeaker
- 5 Loudspeakers
- from Radiomuseum.org
- Model: SK161 Ch= HS-1137 + HS-1138 + HS-1222 - Motorola Inc. ex Galvin Mfg.Co
- Notes
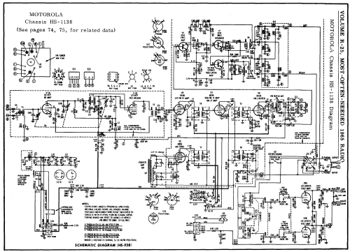
- HS-1138 AM/FM Tuner, HS-1137 Pre-Amplifier and HS-1222 Power Amplifier.
Chassis used in Modells: SK316, SK161, SK162, SKR135, SKR136, SKR161, SKR162, SK-166, SKR-166 and SKR-167.
- Circuit diagram reference
- Beitman Radio Diagrams Vol. 25, 1965
- Author
- Model page created by Egon Penker. See "Data change" for further contributors.
- Other Models
-
Here you find 4655 models, 2982 with images and 4154 with schematics for wireless sets etc. In French: TSF for Télégraphie sans fil.
All listed radios etc. from Motorola Inc. (ex Galvin Mfg.Co. Chicago); Schaumburg (IL)