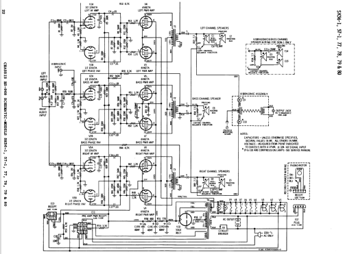
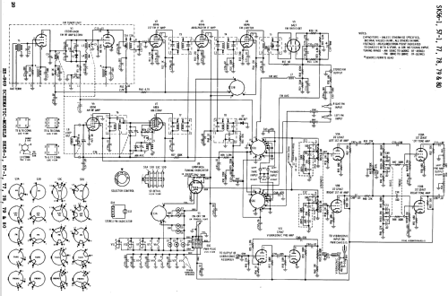
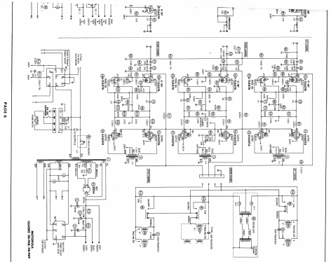
SK56MB-1 Ch= HS-968, HS-969
Motorola Inc. (ex Galvin Mfg.Co. Chicago); Schaumburg (IL)
- Pays
- Etats-Unis
- Fabricant / Marque
- Motorola Inc. (ex Galvin Mfg.Co. Chicago); Schaumburg (IL)
- Année
- 1961

- Catégorie
- Radio - ou tuner d'après la guerre 1939-45
- Radiomuseum.org ID
- 88061
Cliquez sur la vignette du schéma pour le demander en tant que document gratuit.
- No. de tubes
- 21
- Lampes / Tubes
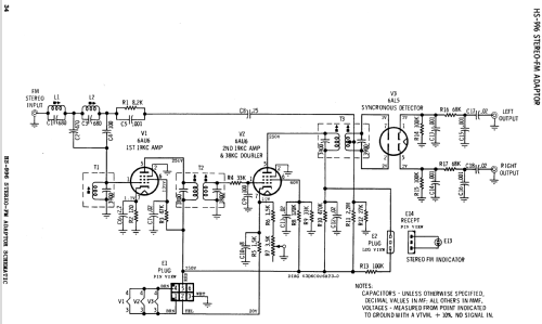
- ECC85 or 6AQ8 6BA6 6BA6 6BE6 EM84 or 6FG6 6BA6 6BA6 6AL5 12AX7 12AX7 12AX7 12AX7A 12AX7A 12AX7A 6V6GTA 6V6GTA 6V6GTA 6V6GTA 6V6GTA 6V6GTA 3DG4
- Principe général
- Super hétérodyne avec étage HF; FI/IF 455/10700 kHz; 4 Etage(s) BF
- Circuits accordés
- 7 Circuits MA (AM) 9 Circuits MF (FM)
- Gammes d'ondes
- PO et FM
- Particularités
- Tourne disque avec changeur
- Tension / type courant
- Alimentation Courant Alternatif (CA) / 60 cycles, 120 Volt
- Haut-parleur
- 5 HP
- Puissance de sortie
- 51 W (110 W max.)
- Matière
- Boitier en bois
- De Radiomuseum.org
- Modèle: SK56MB-1 Ch= HS-968, HS-969 - Motorola Inc. ex Galvin Mfg.Co
- Forme
- Console de forme générique
- Remarques
-
The Motorola SK56MB-1 is an AC operated 21 Tube Stereo BC/FM band receiver, Phono Amplifier and 4 Speed Automatic Record Changer. Has Vibrasonic system and tuning eye indicator. Chassis HS-969 has 11 tubes used for the BC/FM receiver, the vibrasonic preamp and the main preamp. Chassis HS-968 has 10 tubes used for the 3 channel power amplifier and power supply. Cabinet is Mahogany. This model has Qty(1) 15" PM speaker for bass channel, Qty(2) 8.25" speakers and Qty(2) 5.25" PM speakers. Has separate bass channel that drives the 15" speaker. Uses Record Changer VM59RC.
A "FM Stereo" option was available for this model, which used Stereo FM chassis HS-996.
- Source du schéma
- Beitman Radio Diagrams Vol. 22, 1962
- Schémathèque (1)
- - - Manufacturers Literature (Motorola Datasheet 68P60011A72 Dated 6-61)
- Schémathèque (2)
- Beitman Radio Diagrams, Vol. 22, 1962 (Pages 71 to 72)
- Auteur
- Modèle crée par Egon Penker. Voir les propositions de modification pour les contributeurs supplémentaires.
- D'autres Modèles
-
Vous pourrez trouver sous ce lien 4653 modèles d'appareils, 2980 avec des images et 4153 avec des schémas.
Tous les appareils de Motorola Inc. (ex Galvin Mfg.Co. Chicago); Schaumburg (IL)