SK79W Ch= HS-968, HS-969
Motorola Inc. (ex Galvin Mfg.Co. Chicago); Schaumburg (IL)
- País
- Estados Unidos
- Fabricante / Marca
- Motorola Inc. (ex Galvin Mfg.Co. Chicago); Schaumburg (IL)
- Año
- 1961

- Categoría
- Radio - o Sintonizador pasado WW2
- Radiomuseum.org ID
- 88065
Haga clic en la miniatura esquemática para solicitarlo como documento gratuito.
- Numero de valvulas
- 21
- Válvulas
- ECC85 or 6AQ8 6BA6 6BA6 6BE6 EM84 or 6FG6 6BA6 6BA6 6AL5 12AX7 12AX7 12AX7 12AX7A 12AX7A 12AX7A 6V6GTA 6V6GTA 6V6GTA 6V6GTA 6V6GTA 6V6GTA 3DG4
- Principio principal
- Superheterodino con paso previo de RF; ZF/IF 455/10700 kHz; 4 Etapas de AF
- Número de circuitos sintonía
- 7 Circuíto(s) AM 9 Circuíto(s) FM
- Gama de ondas
- OM y FM
- Especialidades
- Tocadiscos con cambiador autom.
- Tensión de funcionamiento
- Red: Corriente alterna (CA, Inglés = AC) / 60 cycles, 110 to 120 Volt
- Altavoz
- 5 Altavoces
- Potencia de salida
- 51 W (110 W max.)
- Material
- Madera
- de Radiomuseum.org
- Modelo: SK79W Ch= HS-968, HS-969 - Motorola Inc. ex Galvin Mfg.Co
- Forma
- Consola en general
- Anotaciones
-
The Motorola SK79W is an AC operated 21 Tube Stereo BC/FM band receiver, Phono Amplifier and 4 Speed Automatic Record Changer. Has Vibrasonic system and tuning eye indicator. Chassis HS-969 has 11 tubes used for the BC/FM receiver, the vibrasonic preamp and the main preamp. Chassis HS-968 has 10 tubes used for the 3 channel power amplifier and power supply. Cabinet is Walnut. This model has Qty(1) 15" PM speaker for bass channel, Qty(2) 8" speakers and Qty(2) 5" PM speakers. Has separate bass channel that drives the 15" speaker. Uses Record Changer VM59RC..
A "FM Stereo" option was available for this model, which used Stereo FM chassis HS-996.
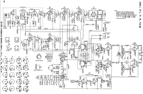
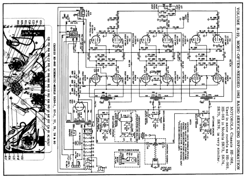
The Motorola Tuner-Chassis HS-969 (AM/FM receiver with preamplifier) and the Amplifier-Chassis HS-968 have been used in Motorola models SK56MB-1, SK57W-1, SK77WA, SK78W, SK79W, SK79WH and SK80CW. This is what can be seen on SAMS Photofact set 600, folder 11 from Oct 1962. Some of the sets like the SK77WA were on the market late 1960. Beitman volume 22 names the models without suffixes: SK56MB-1, SK57W-1, SK77WA, SK78W, SK79W, SK79WH and SK80CW.- but also misspells to 7S instead of 77 and HS-96S instead of HS-968. It also writes: "HS-963 in Models SK73, SK74, SK75, SK76, is very similar." That is another story.
The first 11 tubes on our list are for the Tuner-Chassis HS-969 - and the tubes for the 10 tube stereo Amplifier-Chassis HS-968 are 3 x 12AX7A, 6 x 6V6GTA plus 3DG4 as rectifier. All of these models also contain a 4 speed automatic record changer. Some have 5 loudspeakers (left and right 5" and 8", center 15"). For service information on record changer VM59RC see similar V-M1571 at Photofact set 527 folder 14. AM Tuning range is 540 - 1640 kc and FM 88 - 108 mc. Rating is 175 watts, 1.6 amp.at 117 volts ac 60 cycles.
Motorola calls these models "Three amplifier Stereophonic High Fidelity Radio-Phonograph" with trademarks like Golden Duplitron, Feather Trac, Golden Stereo 1000, Vibrasonic (is a reverb unit) and Golden Voice. The suffix W = Walnut, WH = White, CW = Cherry, M or MB = Mahagony. Probably not all models have legs.
- Referencia esquema
- Beitman Radio Diagrams Vol. 22, 1962
- Documentación / Esquemas (1)
- Beitman Radio Diagrams, Vol. 22, 1962 (Pages 71 to 72)
- Documentación / Esquemas (2)
- - - Manufacturers Literature (Motorola Datasheet 68P60011A72 Dated 6-61)
- Documentación / Esquemas (3)
- Photofact Folder, Howard W. SAMS (Folder 11, SET 600)
- Autor
- Modelo creado por Egon Penker. Ver en "Modificar Ficha" los participantes posteriores.
- Otros modelos
-
Donde encontrará 4653 modelos, 2980 con imágenes y 4153 con esquemas.
Ir al listado general de Motorola Inc. (ex Galvin Mfg.Co. Chicago); Schaumburg (IL)