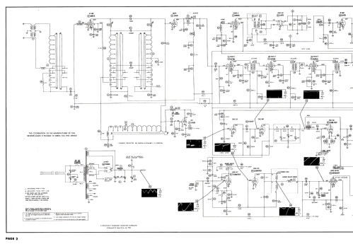
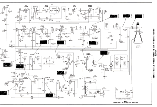
2055AU Ch= 17B2 or 17B6
Muntz TV Inc.; Hollywood (CA)
- Pays
- Etats-Unis
- Fabricant / Marque
- Muntz TV Inc.; Hollywood (CA)
- Année
- 1953 ?
- Catégorie
- Récepteur de télévision ou moniteur
- Radiomuseum.org ID
- 363382
Cliquez sur la vignette du schéma pour le demander en tant que document gratuit.
- No. de tubes
- 17
- Lampes / Tubes
- 6BC5 6J6 6CB6 6AU6 6AU6 6CB6 6AU6 6T8 6W6GT 12AT7 6BL7GT 6SN7GT 6BQ6GT 6W4GT 1B3GT 5U4G 20CP4A
- Principe général
- Super hétérodyne avec étage HF
- Gammes d'ondes
- Bandes en notes
- Tension / type courant
- Alimentation Courant Alternatif (CA) / 60 Hz, 117V = 110 -120 Volt
- Haut-parleur
- HP dynamique à aimant permanent + bobine mobile / Ø 5 inch = 12.7 cm
- Matière
- Boitier en bois
- De Radiomuseum.org
- Modèle: 2055AU Ch= 17B2 or 17B6 - Muntz TV Inc.; Hollywood CA
- Forme
- Modèle de table générique
- Remarques
-
Muntz model 2055AU is a 20” b/w TV with US standard VHF tuner channels 2 thru 13. Equipped with chassis 17B2 or 17B6, VHF tuner PR-0202-1-2 and picture tube 20CP4A.
- Schémathèque (2)
- Photofact Folder, Howard W. SAMS (Set 207, folder 5, dated 6-53)
- Auteur
- Modèle crée par Dirk Taekels. Voir les propositions de modification pour les contributeurs supplémentaires.
- D'autres Modèles
-
Vous pourrez trouver sous ce lien 131 modèles d'appareils, 29 avec des images et 125 avec des schémas.
Tous les appareils de Muntz TV Inc.; Hollywood (CA)