- Produttore / Marca
- Murphy Radio Ltd.; Welwyn Garden City
- Anno
- 1958
- Categoria
- Radio (o sintonizzatore del dopoguerra WW2)
- Radiomuseum.org ID
- 104959
Clicca sulla miniatura dello schema per richiederlo come documento gratuito.
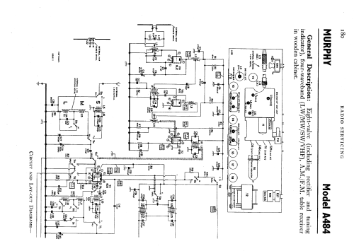
- Numero di tubi
- 8
- Principio generale
- Supereterodina (in generale); ZF/IF 470/10700 kHz
- Gamme d'onda
- Onde medie (OM), lunghe (OL), corte (OC) e MF (FM).
- Tensioni di funzionamento
- Alimentazione a corrente alternata (CA) / 200-250 Volt
- Altoparlante
- 2 altoparlanti
- Materiali
- Mobile in legno
- Radiomuseum.org
- Modello: A484 - Murphy Radio Ltd.; Welwyn
- Forma
- Soprammobile con qualsiasi forma (non saputo).
- Dimensioni (LxAxP)
- 22.5 x 17.25 x 9.5 inch / 572 x 438 x 241 mm
- Annotazioni
- Released in November 1958 price £38 17s 0d
Two loudspeakers, 6.5 inch in diameter and an 8 x 6 inch elliptical.
- Peso netto
- 22 lb 0 oz (22 lb) / 9.988 kg
- Prezzo nel primo anno
- 39.00 GBP
- Bibliografia
- -- Original-techn. papers.
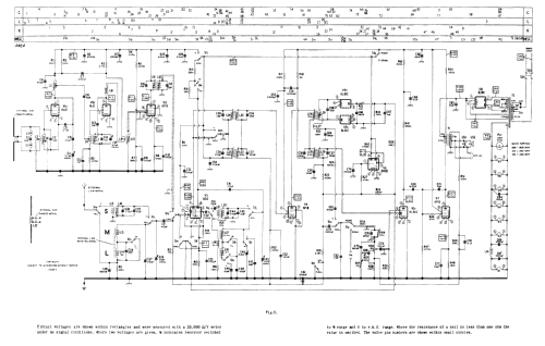
- Letteratura / Schemi (1)
- - - Manufacturers Literature
- Autore
- Modello inviato da Peter Hoddow. Utilizzare "Proponi modifica" per inviare ulteriori dati.
- Altri modelli
-
In questo link sono elencati 367 modelli, di cui 301 con immagini e 235 con schemi.
Elenco delle radio e altri apparecchi della Murphy Radio Ltd.; Welwyn Garden City