- Country
- United States of America (USA)
- Manufacturer / Brand
- National Company; Cambridge & Malden (MA)
- Year
- 1938–1945 ??
- Category
- Military Receiver
- Radiomuseum.org ID
- 88116
-
- alternative name: National Toy Co.
- Brand: Thrillbox
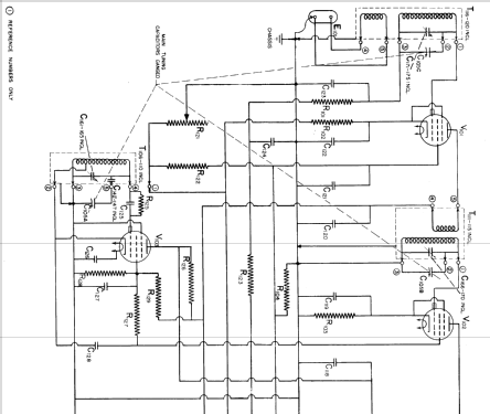
Click on the schematic thumbnail to request the schematic as a free document.
- Number of Tubes
- 10
- Main principle
- Superhet with RF-stage; ZF/IF 456 kHz
- Wave bands
- Broadcast, Long Wave and more than two Short Wave bands.
- Power type and voltage
- Alternating Current supply (AC) / 115 Volt
- Loudspeaker
- - For headphones or amp.
- Power out
- 2 W (unknown quality)
- Material
- Metal case
- from Radiomuseum.org
- Model: NC-100ASD - National Company; Cambridge &
- Shape
- Tablemodel, with any shape - general.
- Notes
-
coverage 540 kHz - 30 MHz, AM, CW(BFO);
NC-100A model built to US Signal Corps standards
- Source of data
- Communications Receivers
- Author
- Model page created by Martin Bösch. See "Data change" for further contributors.
- Other Models
-
Here you find 446 models, 285 with images and 189 with schematics for wireless sets etc. In French: TSF for Télégraphie sans fil.
All listed radios etc. from National Company; Cambridge & Malden (MA)
Collections
The model is part of the collections of the following members.