Messsender MS 206
Neuwirth, Dipl.-Ing. H.-G.; Hemmingen /Hannover
- Pays
- Allemagne
- Fabricant / Marque
- Neuwirth, Dipl.-Ing. H.-G.; Hemmingen /Hannover
- Année
- 1956
- Catégorie
- Appareils de mesure et de dépannage (matériel de labo)
- Radiomuseum.org ID
- 168649
Cliquez sur la vignette du schéma pour le demander en tant que document gratuit.
- No. de tubes
- 7
- Gammes d'ondes
- Bandes en notes
- Tension / type courant
- Alimentation Courant Alternatif (CA) / 220 Volt
- Haut-parleur
- - - Pas de sortie basse fréquence
- Matière
- Boitier métallique
- De Radiomuseum.org
- Modèle: Messsender MS 206 - Neuwirth, Dipl.-Ing. H.-G.;
- Forme
- Modèle de table profil bas (grand modèle).
- Dimensions (LHP)
- 500 x 400 x 250 mm / 19.7 x 15.7 x 9.8 inch
- Remarques
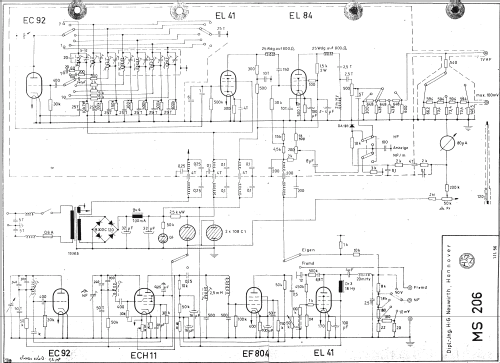
- Meßsender mit integriertem Schwebungssummer
Schwebungssummer: 30 Hz - 20 kHz
Meßsender: 120 kHz - 28 MHz in sieben Bereiche unterteilt
Ausgangsspannung regelbar von 1 mV - 50 V.
- Source
- -- Original-techn. papers.
- Auteur
- Modèle crée par d'un membre de D. Voir les propositions de modification pour les contributeurs supplémentaires.
- D'autres Modèles
-
Vous pourrez trouver sous ce lien 54 modèles d'appareils, 45 avec des images et 20 avec des schémas.
Tous les appareils de Neuwirth, Dipl.-Ing. H.-G.; Hemmingen /Hannover
Collections
Le modèle Messsender fait partie des collections des membres suivants.