Graz GW79
Nora, Aron, Heliowatt; Berlin
- Country
- Germany
- Manufacturer / Brand
- Nora, Aron, Heliowatt; Berlin
- Year
- 1939/1940
- Category
- Broadcast Receiver - or past WW2 Tuner
- Radiomuseum.org ID
- 7877
Click on the schematic thumbnail to request the schematic as a free document.
- Number of Tubes
- 4
- Main principle
- Superheterodyne (common); ZF/IF 468 kHz; 2 AF stage(s)
- Tuned circuits
- 7 AM circuit(s)
- Wave bands
- Broadcast, Long Wave and Short Wave.
- Details
- Visual Tuning Indicator pre Eye
- Power type and voltage
- AC/DC-set / 110; 125; 150; 220; 240 Volt
- Loudspeaker
- Permanent Magnet Dynamic (PDyn) Loudspeaker (moving coil)
- Material
- Wooden case
- from Radiomuseum.org
- Model: Graz GW79 - Nora, Aron, Heliowatt; Berlin
- Shape
- Tablemodel, low profile (big size).
- Dimensions (WHD)
- 570 x 310 x 250 mm / 22.4 x 12.2 x 9.8 inch
- Notes
- Feldst.Anz.;var.BBr.
- Net weight (2.2 lb = 1 kg)
- 16 kg / 35 lb 3.9 oz (35.242 lb)
- Price in first year of sale
- 259.00 RM
- Source of data
- Katalog Eltax, Berlin, 1939/40 / Radiokatalog Band 1, Ernst Erb
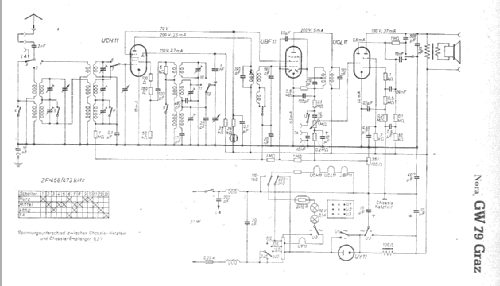
- Circuit diagram reference
- Lange+Schenk+FS-Röhrenbestückung
- Mentioned in
- -- Schematic (OTO-Schaltungen)
- Picture reference
- Das Modell ist im «Radiokatalog» (Erb) abgebildet.
- Other Models
-
Here you find 634 models, 557 with images and 343 with schematics for wireless sets etc. In French: TSF for Télégraphie sans fil.
All listed radios etc. from Nora, Aron, Heliowatt; Berlin