Fidelio-Stereo V300 Ch= 4/630 poliert/natur
Nordmende, Norddeutsche Mende-Rundfunk GmbH (Sterling), Bremen-Hemelingen
- Pays
- Allemagne
- Fabricant / Marque
- Nordmende, Norddeutsche Mende-Rundfunk GmbH (Sterling), Bremen-Hemelingen
- Année
- 1963/1964
- Catégorie
- Radio - ou tuner d'après la guerre 1939-45
- Radiomuseum.org ID
- 24759
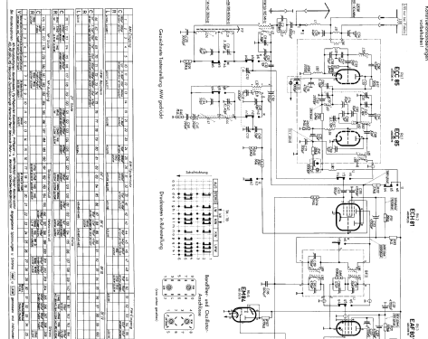
Cliquez sur la vignette du schéma pour le demander en tant que document gratuit.
- No. de tubes
- 6
- Principe général
- Super hétérodyne (en général); FI/IF 460/10700 kHz
- Circuits accordés
- 6 Circuits MA (AM) 10 Circuits MF (FM)
- Gammes d'ondes
- PO, GO, OC et FM
- Tension / type courant
- Alimentation Courant Alternatif (CA) / 110; 220 Volt
- Haut-parleur
- 2 HP
- Matière
- Boitier en bois
- De Radiomuseum.org
- Modèle: Fidelio-Stereo V300 Ch= 4/630 [poliert/natur] - Nordmende, Norddeutsche Mende-
- Forme
- Modèle de table avec boutons poussoirs.
- Dimensions (LHP)
- 600 x 265 x 270 mm / 23.6 x 10.4 x 10.6 inch
- Remarques
- HF-Stereo-Decoder nachrüstbar
NF-Verstärker mit 2 Endstufen je 3 W.
- Poids net
- 10.1 kg / 22 lb 3.9 oz (22.247 lb)
- Prix de mise sur le marché
- 382.00 DM
- Source extérieure
- Erb
- Source
- Handbuch VDRG 1963/1964
- Schémathèque (1)
- -- Original-techn. papers.
- D'autres Modèles
-
Vous pourrez trouver sous ce lien 1763 modèles d'appareils, 1650 avec des images et 1280 avec des schémas.
Tous les appareils de Nordmende, Norddeutsche Mende-Rundfunk GmbH (Sterling), Bremen-Hemelingen
Collections
Le modèle Fidelio-Stereo fait partie des collections des membres suivants.