NC-321
Noresco Mfg. Ltd.; Toronto
- Pays
- Canada
- Fabricant / Marque
- Noresco Mfg. Ltd.; Toronto
- Année
- 1970 ?
- Catégorie
- Enrégistreur et/ou reproducteur son/video
- Radiomuseum.org ID
- 324454
Cliquez sur la vignette du schéma pour le demander en tant que document gratuit.
- No. de transistors
- Semi-conducteurs présents
- Semi-conducteurs
- Principe général
- Amplification audio
- Gammes d'ondes
- - sans
- Particularités
- Tourne disque avec changeur
- Tension / type courant
- Alimentation Courant Alternatif (CA) / 60Hz, 117 Volt
- Haut-parleur
- - Ce modèle nécessite des HP externes
- Matière
- Boitier en bois
- De Radiomuseum.org
- Modèle: NC-321 - Noresco Mfg. Ltd.; Toronto
- Forme
- Modèle de table générique
- Remarques
-
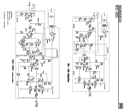
The Noresco model NC-321 is a stereo record player with built in amplifier. This model was made with 2 different amplifier circuits.
- Schémathèque (1)
- Radio College of Canada (RCC) (1971 Component Stereo #2)
- Auteur
- Modèle crée par Tom Seeger. Voir les propositions de modification pour les contributeurs supplémentaires.
- D'autres Modèles
-
Vous pourrez trouver sous ce lien 17 modèles d'appareils, 2 avec des images et 8 avec des schémas.
Tous les appareils de Noresco Mfg. Ltd.; Toronto