Ricevitore Meteosat/Polari LX-1375
Nuova Elettronica; Bologna
- Country
- Italy
- Manufacturer / Brand
- Nuova Elettronica; Bologna
- Year
- 1998
- Category
- Digital terrestrial, Internet and SAT receiver (also analogue)
- Radiomuseum.org ID
- 250317
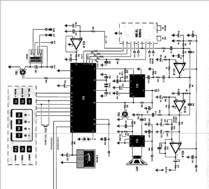
Click on the schematic thumbnail to request the schematic as a free document.
- Number of Transistors
- 1
- Semiconductors
- Main principle
- PLL, Phase-locked loop
- Wave bands
- Wave Bands given in the notes.
- Power type and voltage
- Alternating Current supply (AC) / 220 Volt
- Power out
- 1 W (undistorted)
- Material
- Plastics (no bakelite or catalin)
- from Radiomuseum.org
- Model: Ricevitore Meteosat/Polari LX-1375 - Nuova Elettronica; Bologna
- Shape
- Chassis only or for «building in»
- Dimensions (WHD)
- 220 x 90 x 200 mm / 8.7 x 3.5 x 7.9 inch
- Notes
-
Ricevitore per satelliti polari e Meteosat della serie NOAA e di tutte le frequenze comprese tra 137 e 139 MHz.
- Net weight (2.2 lb = 1 kg)
- 2.9 kg / 6 lb 6.2 oz (6.388 lb)
- Price in first year of sale
- 400,000.00 ITL
- Author
- Model page created by Giuseppe Tedesco. See "Data change" for further contributors.
- Other Models
-
Here you find 41 models, 41 with images and 40 with schematics for wireless sets etc. In French: TSF for Télégraphie sans fil.
All listed radios etc. from Nuova Elettronica; Bologna
Collections
The model Ricevitore Meteosat/Polari is part of the collections of the following members.