- Produttore / Marca
- Olympic Radio & Television, Inc.; New York (NY)
- Anno
- 1948
- Categoria
- Radio (o sintonizzatore del dopoguerra WW2)
- Radiomuseum.org ID
- 49864
Clicca sulla miniatura dello schema per richiederlo come documento gratuito.
- Numero di tubi
- 5
- Principio generale
- Supereterodina (in generale); ZF/IF 455 kHz; 2 Stadi BF
- N. di circuiti accordati
- 6 Circuiti Mod. Amp. (AM)
- Gamme d'onda
- Onde medie (OM) e corte (OC).
- Tensioni di funzionamento
- Alimentazione universale (doppia: CC/CA) / 105 - 125 Volt
- Altoparlante
- AP magnetodinamico (magnete permanente e bobina mobile) / Ø 5 inch = 12.7 cm
- Materiali
- Plastica (non bachelite o catalina)
- Radiomuseum.org
- Modello: 7-435V - Olympic Radio & Television,
- Forma
- Soprammobile con qualsiasi forma (non saputo).
- Annotazioni
- Color=Ivory.
- Fonte esterna dei dati
- Ernst Erb
- Fonte dei dati
- Collector's Guide to Antique Radios 4. Edition
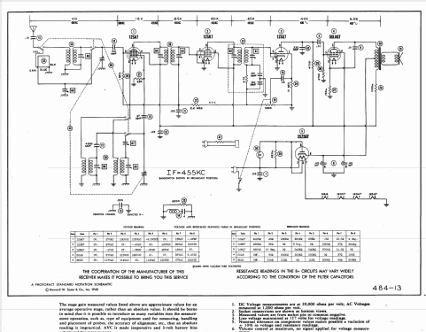
- Riferimenti schemi
- Rider's Perpetual, Volume 18 = 1949 and before
- Letteratura / Schemi (4)
- Photofact Folder, Howard W. SAMS (Set 34, Date 2/48, Folder 484-13)
- Altri modelli
-
In questo link sono elencati 608 modelli, di cui 273 con immagini e 556 con schemi.
Elenco delle radio e altri apparecchi della Olympic Radio & Television, Inc.; New York (NY)