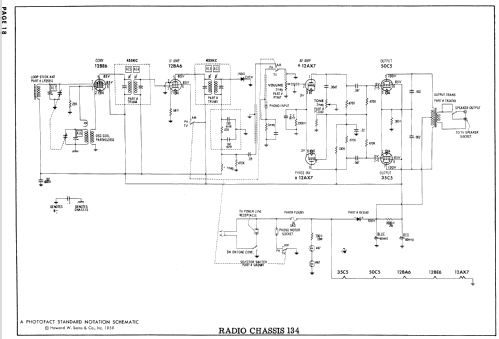
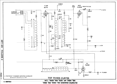
KA145 Ch= HA
Olympic Radio & Television, Inc.; New York (NY)
- País
- Estados Unidos
- Fabricante / Marca
- Olympic Radio & Television, Inc.; New York (NY)
- Año
- 1958 ?
- Categoría
- Televisión (TV) o monitor
- Radiomuseum.org ID
- 187089
Haga clic en la miniatura esquemática para solicitarlo como documento gratuito.
- Numero de valvulas
- 15
- Válvulas
- 21CBP4A
- Principio principal
- Superheterodino con paso previo de RF
- Gama de ondas
- VHF/UHF (see notes for details)
- Tensión de funcionamiento
- Red: Corriente alterna (CA, Inglés = AC) / 110 - 120 Volt
- Altavoz
- Altavoz dinámico (de imán permanente)
- de Radiomuseum.org
- Modelo: KA145 Ch= HA - Olympic Radio & Television,
- Anotaciones
- 21" b/w TV with US standard VHF Tuner Channels 2 thru 13, 14 thru 83 UHF. Tubes UHF: 16. Some Models with Picture Tube 24AEP4.
- Documentación / Esquemas (1)
- Photofact Folder, Howard W. SAMS (Date 4-59, Set 438, Folder 2)
- Autor
- Modelo creado por Egon Penker. Ver en "Modificar Ficha" los participantes posteriores.
- Otros modelos
-
Donde encontrará 608 modelos, 273 con imágenes y 556 con esquemas.
Ir al listado general de Olympic Radio & Television, Inc.; New York (NY)