AM-FM Stereo Tuner ST-240
Orion; Budapest
- Country
- Hungary
- Manufacturer / Brand
- Orion; Budapest
- Year
- 1980–1982
- Category
- Broadcast Receiver - or past WW2 Tuner
- Radiomuseum.org ID
- 126570
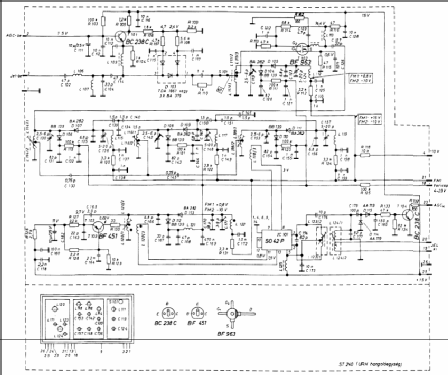
Click on the schematic thumbnail to request the schematic as a free document.
- Number of Transistors
- 49
- Semiconductors
- Main principle
- Superheterodyne (common); ZF/IF 460/10700 kHz
- Wave bands
- Broadcast, Short Wave plus FM or UHF.
- Power type and voltage
- Alternating Current supply (AC) / 220 Volt
- Loudspeaker
- - For headphones or amp.
- Material
- Metal case
- from Radiomuseum.org
- Model: AM-FM Stereo Tuner ST-240 - Orion; Budapest
- Shape
- Book-shelf unit.
- Dimensions (WHD)
- 457 x 150 x 350 mm / 18 x 5.9 x 13.8 inch
- Notes
- 11 IC-s, 2 MOS-Fet. FM: OIRT & CCIR. AM: AM1, AM2.
- Net weight (2.2 lb = 1 kg)
- 9 kg / 19 lb 13.2 oz (19.824 lb)
- Source of data
- - - Data from my own collection
- Author
- Model page created by Sándor Selyem-Tóth. See "Data change" for further contributors.
- Other Models
-
Here you find 1031 models, 878 with images and 401 with schematics for wireless sets etc. In French: TSF for Télégraphie sans fil.
All listed radios etc. from Orion; Budapest
Collections
The model AM-FM Stereo Tuner is part of the collections of the following members.