- Produttore / Marca
- Packard Bell Co.; Los Angeles (CA)
- Anno
- 1947
- Categoria
- Radio (o sintonizzatore del dopoguerra WW2)
- Radiomuseum.org ID
- 50070
Clicca sulla miniatura dello schema per richiederlo come documento gratuito.
- Numero di tubi
- 10
- Principio generale
- Supereterodina con stadio RF; ZF/IF 455 kHz
- N. di circuiti accordati
- 7 Circuiti Mod. Amp. (AM)
- Gamme d'onda
- Onde medie (OM) e corte (OC).
- Particolarità
- Fonoincisore
- Tensioni di funzionamento
- Alimentazione a corrente alternata (CA) / 110-120 Volt
- Altoparlante
- AP magnetodinamico (magnete permanente e bobina mobile) / Ø 10 inch = 25.4 cm
- Potenza d'uscita
- 6 W (qualità ignota)
- Radiomuseum.org
- Modello: 1054 - Packard Bell Co.; Los Angeles
- Forma
- Console di qualsiasi tipo
- Annotazioni
- Built-in loop antenna or external antenna.
- Fonte esterna dei dati
- Ernst Erb
- Fonte dei dati
- The Radio Collector's Directory and Price Guide 1921 - 1965
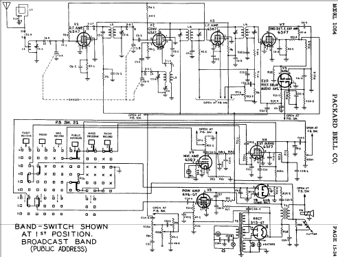
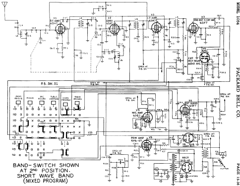
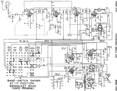
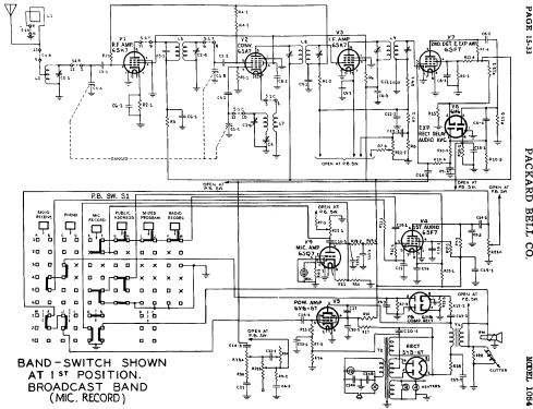
- Riferimenti schemi
- Rider's Perpetual, Volume 15 = 1947 and before
- Altri modelli
-
In questo link sono elencati 403 modelli, di cui 201 con immagini e 356 con schemi.
Elenco delle radio e altri apparecchi della Packard Bell Co.; Los Angeles (CA)