- Country
- United States of America (USA)
- Manufacturer / Brand
- Packard Bell Co.; Los Angeles (CA)
- Year
- 1948
- Category
- Broadcast Receiver - or past WW2 Tuner
- Radiomuseum.org ID
- 50184
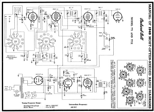
Click on the schematic thumbnail to request the schematic as a free document.
- Number of Tubes
- 7
- Main principle
- Superhet with RF-stage; ZF/IF 455 kHz; 2 AF stage(s)
- Tuned circuits
- 7 AM circuit(s)
- Wave bands
- Broadcast and Short Wave (SW).
- Power type and voltage
- Alternating Current supply (AC) / 110 - 120 Volt
- Loudspeaker
- Permanent Magnet Dynamic (PDyn) Loudspeaker (moving coil) / Ø 6 inch = 15.2 cm
- Power out
- 1.2 W (unknown quality)
- Material
- Wooden case
- from Radiomuseum.org
- Model: 771 - Packard Bell Co.; Los Angeles
- Shape
- Tablemodel, with any shape - general.
- External source of data
- Ernst Erb
- Source of data
- Collector's Guide to Antique Radios 4. Edition
- Circuit diagram reference
- Rider's Perpetual, Volume 18 = 1949 and before
- Literature/Schematics (1)
- Beitman Radio Diagrams, Vol. 09, 1949
- Literature/Schematics (2)
- Photofact Folder, Howard W. SAMS (Set 44 Folder 16 dated 08-48)
- Other Models
-
Here you find 401 models, 200 with images and 354 with schematics for wireless sets etc. In French: TSF for Télégraphie sans fil.
All listed radios etc. from Packard Bell Co.; Los Angeles (CA)