- País
- Suiza
- Fabricante / Marca
- Paillard AG; St. Croix
- Año
- 1939
- Categoría
- Radio - o Sintonizador pasado WW2
- Radiomuseum.org ID
- 97088
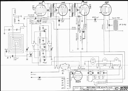
Haga clic en la miniatura esquemática para solicitarlo como documento gratuito.
- Numero de valvulas
- 5
- Principio principal
- Superheterodino en general; ZF/IF 470 kHz
- Gama de ondas
- OM, OL y OC
- Tensión de funcionamiento
- Red / Baterías o pilas / 110; 125; 145; 220; 250 Volt
- Altavoz
- Altavoz elíptico de imán permanente. / Ø 16.5 cm = 6.5 inch
- Potencia de salida
- 0.3 W (unknown quality)
- de Radiomuseum.org
- Modelo: 404P - Paillard AG; St. Croix
- Forma
- Portátil > 20 cm (sin la necesidad de una red)
- Ancho, altura, profundidad
- 220 x 300 x 400 mm / 8.7 x 11.8 x 15.7 inch
- Anotaciones
- Betrieb sowohl aus Trockenbatterien als auch Wechselstromnetz; Rahmenantenne für LW und MW eingebaut, für KW wird externe Antenne benötigt.
- Peso neto
- 12 kg / 26 lb 6.9 oz (26.432 lb)
- Mencionado en
- -- Original-techn. papers.
- Autor
- Modelo creado por Albert Vonarburg. Ver en "Modificar Ficha" los participantes posteriores.
- Otros modelos
-
Donde encontrará 552 modelos, 270 con imágenes y 303 con esquemas.
Ir al listado general de Paillard AG; St. Croix