- Country
- United States of America (USA)
- Manufacturer / Brand
- Patterson Radio Co. / Electric Co.; Los Angeles, CA
- Year
- 1934
- Category
- Broadcast Receiver - or past WW2 Tuner
- Radiomuseum.org ID
- 50340
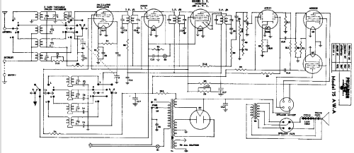
Click on the schematic thumbnail to request the schematic as a free document.
- Number of Tubes
- 7
- Main principle
- Superheterodyne (common); ZF/IF 458 kHz; 2 AF stage(s)
- Tuned circuits
- 8 AM circuit(s)
- Wave bands
- Broadcast plus more than 2 Short Wave bands.
- Power type and voltage
- Alternating Current supply (AC) / 115 Volt
- Loudspeaker
- Permanent or electro-dynamic (moving coil), system not known yet.
- from Radiomuseum.org
- Model: 75-AW - Patterson Radio Co. / Electric
- Notes
- BC (550-1500 kHz), TROP (1600-4500 kHz), 4.5-12.0 MHz) and 11.0-22.0 MHz) bands. BC band with bandfilter input circuits. Push-pull audio amplifier. A model 75-AW-A exists too.
- External source of data
- Ernst Erb
- Circuit diagram reference
- Rider's Perpetual, Volume 8 = 1937 and before
- Mentioned in
- Rider's 8-1, 8-3
- Other Models
-
Here you find 111 models, 45 with images and 66 with schematics for wireless sets etc. In French: TSF for Télégraphie sans fil.
All listed radios etc. from Patterson Radio Co. / Electric Co.; Los Angeles, CA