Single Unit Guitar Amplifier Classic® 30
Peavey Electronics; Meridian, MS
- Produttore / Marca
- Peavey Electronics; Meridian, MS
- Anno
- 1992 ??
- Categoria
- Amplificatore audio o mixer audio
- Radiomuseum.org ID
- 233548
Clicca sulla miniatura dello schema per richiederlo come documento gratuito.
- Numero di tubi
- 7
- Numero di transistor
- 2
- Semiconduttori
- Principio generale
- Amplificatore audio
- Gamme d'onda
- - senza
- Particolarità
- Amplificatore per chitarra
- Tensioni di funzionamento
- Alimentazione a corrente alternata (CA) / 120/220 Volt
- Altoparlante
- AP magnetodinamico (magnete permanente e bobina mobile) / Ø 12 inch = 30.5 cm
- Potenza d'uscita
- 30 W (indistorta)
- Materiali
- Pelle / stoffa / plastica ma con altro materiale sottostante
- Radiomuseum.org
- Modello: Single Unit Guitar Amplifier Classic® 30 - Peavey Electronics; Meridian,
- Forma
- Console di qualsiasi tipo
- Dimensioni (LxAxP)
- 19.75 x 15.75 x 10 inch / 502 x 400 x 254 mm
- Annotazioni
-
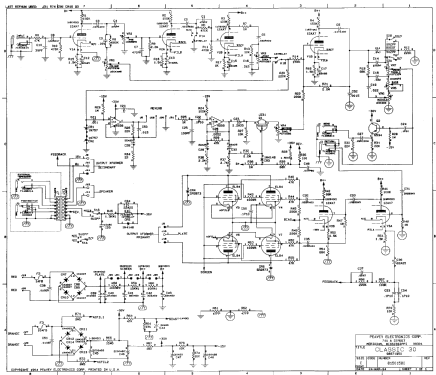
(Tube Amplifier) Peavey Single Unit Guitar Amplifier Model Classic® 30.
Clean-Kanal
Boost-Kanal
Reverb-Stufe (Federhall) mit Operationsverstärkern
Fußschalter
- Peso netto
- 17.5 kg / 38 lb 8.7 oz (38.546 lb)
- Autore
- Modello inviato da Franz Scharner. Utilizzare "Proponi modifica" per inviare ulteriori dati.
- Altri modelli
-
In questo link sono elencati 14 modelli, di cui 14 con immagini e 6 con schemi.
Elenco delle radio e altri apparecchi della Peavey Electronics; Meridian, MS