- Country
- United States of America (USA)
- Manufacturer / Brand
- Pentron Corporation; Chicago (IL)
- Year
- 1959 ?
- Category
- Audio Amplifier or -mixer
- Radiomuseum.org ID
- 158028
Click on the schematic thumbnail to request the schematic as a free document.
- Number of Tubes
- 4
- Main principle
- Audio-Amplification
- Wave bands
- - without
- Power type and voltage
- Alternating Current supply (AC) / 110 - 120 Volt
- Loudspeaker
- - This model requires external speaker(s).
- Material
- Metal case
- from Radiomuseum.org
- Model: CS-20 - Pentron Corporation; Chicago
- Shape
- Chassis only or for «building in»
- Notes
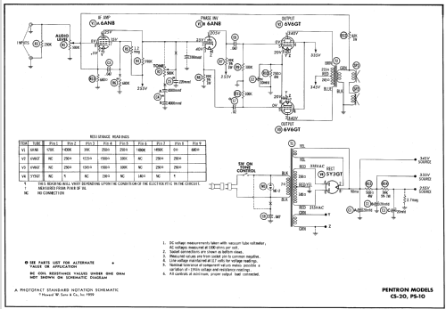
- The Pentron Model CS-20 is an AC Operated 4 Tube Audio Amplifier.
- Literature/Schematics (1)
- Photofact Folder, Howard W. SAMS (Date 4-59, Set 439, Folder 10)
- Author
- Model page created by Egon Penker. See "Data change" for further contributors.
- Other Models
-
Here you find 63 models, 52 with images and 48 with schematics for wireless sets etc. In French: TSF for Télégraphie sans fil.
All listed radios etc. from Pentron Corporation; Chicago (IL)