- País
- Estados Unidos
- Fabricante / Marca
- Pentron Corporation; Chicago (IL)
- Año
- 1958 ?
- Categoría
- Registrador o reproductor de sonido o visual
- Radiomuseum.org ID
- 176482
Haga clic en la miniatura esquemática para solicitarlo como documento gratuito.
- Numero de valvulas
- 4
- Principio principal
- Amplificador de Audio
- Gama de ondas
- - no hay
- Especialidades
- Grabadora de cinta
- Tensión de funcionamiento
- Red: Corriente alterna (CA, Inglés = AC) / 105 -120 Volt
- Altavoz
- Altavoz dinámico (de imán permanente)
- Potencia de salida
- 4 W (unknown quality)
- Material
- Metálico
- de Radiomuseum.org
- Modelo: TM-1 - Pentron Corporation; Chicago
- Forma
- Sobremesa de cualquier forma, detalles no conocidos.
- Ancho, altura, profundidad
- 14 x 11 x 17 inch / 356 x 279 x 432 mm
- Anotaciones
- The Pentron Model TM-1 is an AC operated two speed two track tape recorder.
- Peso neto
- 25 lb 0 oz (25 lb) / 11.350 kg
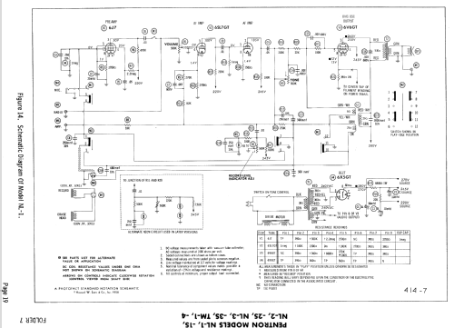
- Documentación / Esquemas (1)
- Photofact Folder, Howard W. SAMS (Date 9-58, Set 414, Folder 7)
- Autor
- Modelo creado por Egon Penker. Ver en "Modificar Ficha" los participantes posteriores.
- Otros modelos
-
Donde encontrará 63 modelos, 52 con imágenes y 48 con esquemas.
Ir al listado general de Pentron Corporation; Chicago (IL)