22D4156L Ch= TV-392
Philco, Philadelphia Stg. Batt. Co.; USA
- Produttore / Marca
- Philco, Philadelphia Stg. Batt. Co.; USA
- Anno
- 1956 ?
- Categoria
- Televisore (TV) / Monitor
- Radiomuseum.org ID
- 284343
Clicca sulla miniatura dello schema per richiederlo come documento gratuito.
- Numero di tubi
- 18
- Valvole
- X155 6X8 6DE6 6DE6 6AM8 6AW8 6AU6 6T8 6W6GT 12BR7 12AU7 6S4 12AU7A 6CD6G 6AU4GT 1B3GT 5U4GB 21AMP4A
- Principio generale
- Supereterodina con stadio RF
- Gamme d'onda
- VHF/UHF (ved. i dettagli nelle note)
- Tensioni di funzionamento
- Alimentazione a corrente alternata (CA) / 60 cycle 110-120 Volt
- Altoparlante
- AP magnetodinamico (magnete permanente e bobina mobile) / Ø 8 inch = 20.3 cm
- Materiali
- Mobile in legno
- Radiomuseum.org
- Modello: 22D4156L Ch= TV-392 - Philco, Philadelphia Stg. Batt
- Forma
- Console, con gambe d'appoggio basse (< 50%).
- Annotazioni
-
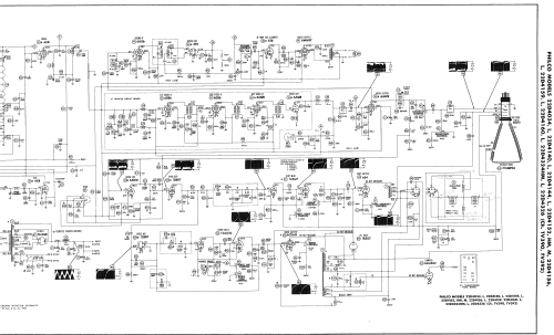
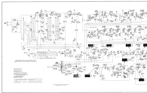
PHILCO model 22D4156L is a 21" b/w TV with US standard VHF tuner channels 2 thru 13. Equipped with chassis TV-392, VHF tuner T-37B or T-37B-1 and picture tube 21AMP4A.
- Letteratura / Schemi (1)
- Photofact Folder, Howard W. SAMS (Set 321 Folder 11 dated 1956)
- Letteratura / Schemi (2)
- Photofact Folder, Howard W. SAMS (Set 340 Folder 1 Dated 12-56)
- Autore
- Modello inviato da Dirk Taekels. Utilizzare "Proponi modifica" per inviare ulteriori dati.
- Altri modelli
-
In questo link sono elencati 4120 modelli, di cui 2227 con immagini e 3768 con schemi.
Elenco delle radio e altri apparecchi della Philco, Philadelphia Stg. Batt. Co.; USA