22D4160X Ch= TV-390
Philco, Philadelphia Stg. Batt. Co.; USA
- País
- Estados Unidos
- Fabricante / Marca
- Philco, Philadelphia Stg. Batt. Co.; USA
- Año
- 1956 ?
- Categoría
- Televisión (TV) o monitor
- Radiomuseum.org ID
- 284336
Haga clic en la miniatura esquemática para solicitarlo como documento gratuito.
- Numero de valvulas
- 18
- Válvulas
- X155 6X8 6DE6 6DE6 6AM8 6AW8 6AU6 6T8 6W6GT 12BR7 12AU7 6S4 12AU7A 6CD6G 6AU4GT 1B3GT 5U4GB 21AMP4A
- Principio principal
- Superheterodino con paso previo de RF
- Gama de ondas
- VHF/UHF (see notes for details)
- Tensión de funcionamiento
- Red: Corriente alterna (CA, Inglés = AC) / 60 cycle 110-120 Volt
- Altavoz
- Altavoz dinámico (de imán permanente) / Ø 8 inch = 20.3 cm
- Material
- Madera
- de Radiomuseum.org
- Modelo: 22D4160X Ch= TV-390 - Philco, Philadelphia Stg. Batt
- Forma
- Consola baja, patas más cortas del 50%.
- Anotaciones
-
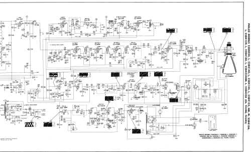
PHILCO model 22D4160X is a 21" b/w TV with US standard VHF tuner channels 2 thru 13. Equipped with chassis TV-390, VHF tuner T-37A-1 and picture tube 21AMP4A.
- Documentación / Esquemas (1)
- Photofact Folder, Howard W. SAMS (Set 321 Folder 11 dated 1956)
- Documentación / Esquemas (2)
- Photofact Folder, Howard W. SAMS (Set 340 Folder 1 Dated 12-56)
- Autor
- Modelo creado por Dirk Taekels. Ver en "Modificar Ficha" los participantes posteriores.
- Otros modelos
-
Donde encontrará 4120 modelos, 2227 con imágenes y 3768 con esquemas.
Ir al listado general de Philco, Philadelphia Stg. Batt. Co.; USA