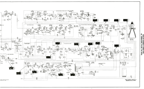
24D6126L Ch= TV-444
Philco, Philadelphia Stg. Batt. Co.; USA
- Pays
- Etats-Unis
- Fabricant / Marque
- Philco, Philadelphia Stg. Batt. Co.; USA
- Année
- 1956 ?
- Catégorie
- Récepteur de télévision ou moniteur
- Radiomuseum.org ID
- 272824
Cliquez sur la vignette du schéma pour le demander en tant que document gratuit.
- No. de tubes
- 20
- Lampes / Tubes
- X155 6X8 6DE6 6DE6 6AM8 6AN8 6AU6 6T8 6V6GT 6AM8 6CS6 12AU7A 6AV5GT 6AL5 12AU7A 6CD6GA 6AU4GT or 6AX4GT 1B3GT 5U4GB 24VP4A
- Principe général
- Super hétérodyne avec étage HF
- Gammes d'ondes
- VHF/UHF (voir details en note)
- Tension / type courant
- Alimentation Courant Alternatif (CA) / 60 cycles, 110-120 Volt
- Haut-parleur
- 2 HP
- Matière
- Boitier en bois
- De Radiomuseum.org
- Modèle: 24D6126L Ch= TV-444 - Philco, Philadelphia Stg. Batt
- Forme
- Console avec pieds bas < 50% de la hauteur
- Remarques
-
The PHILCO model 24D6126L is a 24" b/w TV with US standard VHF Tuner channels 2 thru 13. Equipped with chassis TV-444 and picture tube 24VP4A.VHF tuner model T-62A.
Speakers 6 inch and 8 inch.Cabinet color : Light.
- Schémathèque (1)
- Photofact Folder, Howard W. SAMS (Set 330 folder 8 dated 9-56.)
- Schémathèque (2)
- Photofact Folder, Howard W. SAMS (Set 312 F11-S dated 1956)
- Auteur
- Modèle crée par Dirk Taekels. Voir les propositions de modification pour les contributeurs supplémentaires.
- D'autres Modèles
-
Vous pourrez trouver sous ce lien 4120 modèles d'appareils, 2228 avec des images et 3768 avec des schémas.
Tous les appareils de Philco, Philadelphia Stg. Batt. Co.; USA